8 Кругов Высокая продолжительность жизни, высокая скорость и Высокая температураУстойчивый алюминиевый сплав с настраиваемым скользящим кольцом
Описание
32 мм беспрепятственный проход обеспечивает пространство для гидравлики, пневматики или для концентрической установки вала.GK032-0802 использует технологию волоконной щетки, которая предлагает несколько преимуществ по сравнению с обычными контактными кольцами скольжения, включая несколько точек контакта на пучок щеткиКроме того, волоконные щетки не требуют смазки и практически не производят отходов износа.GK032-0802 имеет обслуживаемые блоки щетки в поле.
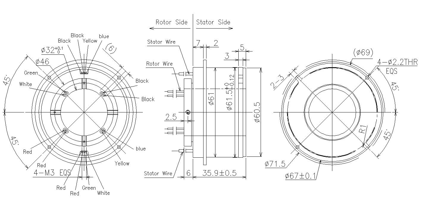
Очертание контуры

| Спецификации | |
| Скорость работы | 0-2000 оборотов в минуту |
| Схемы | 8 |
| Напряжение | 240 VAC/DC |
| Номинальный ток | 2 ампера на схему |
| Температурный диапазон | -20°C до +125°C |
| Контакт | Золото в золото |
| Размер свинца | AWG26# ® UL |
| Продолжительность | Статор: 300 мм Ротор: 300 мм |
| Диэлектрическая прочность | ≥ 500 В @ 50 Гц |
| Сопротивление изоляции | 500MΩ@300VDC |
| Внутренний диаметр | ¥32 |
| Жилье | Сплав алюминия |
Применение

Шоу компании
