2 схемы "Панкейк Слайд Ринг" с отдельным статиром и ротором
Описание
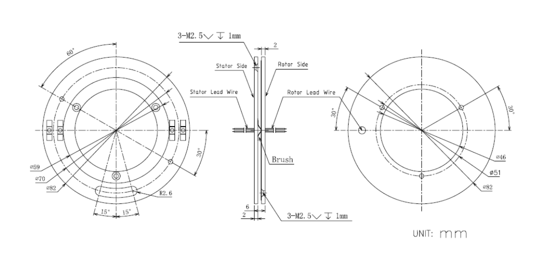
Я...n некоторые приложения, где цилиндрическое кольцо скольженияпросто не вписывается в доступное пространство или требуется очень низкий профиль,LPKS025 Слип-Ринг с проходкой 46,0 мm использует технологию волоконной щетки Jinpat, которая предлагает несколько преимуществ по сравнению с обычными контактными кольцами скольжения, включая несколько точек соприкосновения по пучке щетки,низкая контактная сила на волокно и низкий уровень износа при контакте.
Неограниченный проходный проход 46,0 мм обеспечивает пространство для гидродля рулевых, пневматических или концентрических валов.LPKS-0205 Pan Cake Slip Ring использует передовую технологию волоконной щетки, которая предлагает несколько преимуществ по сравнению с обычными контактными кольцами, включая несколько точек контакта на пучок щеткиКроме того, волоконные щетки не требуют смазки и практически не производят отходов износа.
Очертание контуры

Особенности
Преимущества
Главный А.Ппликатионы
Вариант
| Спецификация | |
| Схемы | 2 схемы |
| Скорость работы | 100 оборотов в минуту |
| Рабочая температура | -20°C ~ +60°C |
| Рабочая влажность | 60% RH или выше |
| Электрические: | |
| Направление напряжения | 380 VAC/DC или выше |
| Нынешний рейтинг | 5А на схему |
| Диэлектрическая прочность | ≥1000V@50Hz между каждой схемой |
| Сопротивление изоляции | 1000MΩ @ 500VDC |
| Электрический шум | 1mΩ Min |
| Механические: | |
| Контактный материал | Драгоценный металл |
| Материал вала | ПХБ |
| Диаметр вала | Φ46 мм |
| Размер свинцового провода | Оцинковка AWG22 |
| Длина свинцового провода | Стандартный 300 мм (11,811 дюйма) |
| Крутящий момент | ≤ 0,12 g·m (для справки) |
Экран продукции
