8 Кругов компактный скользящий кольцо с фланцем и золото-золотой контакт
Стандартный среднего размера капсулы Slip Ring способен интегрировать более 125 цепей, с дополнительным наружным диаметром отЭта серия использует передовые военные методы обработки поверхности и имеет высокую точность, компактность и высокую производительность.Золото-золотой контакт обеспечивает низкое сопротивление и сверхдолгий срок службы.Сигналы: Ethernet, USB, RS, LVDS, CAN bus, Fire Wire, SDI и HDMI и т.д.
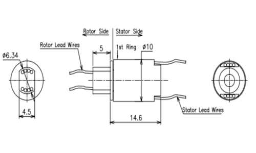
Очертание контуры

| Спецификации | |
| Скорость работы | 0-300 оборотов в минуту |
| Схемы | 8 |
| Напряжение | 240 VAC/DC |
| Номинальный ток | 1 ампер на схему |
| Температурный диапазон | -20°C до +60°C |
| Контакт | Золото в золото |
| Размер свинца | 30# серебристая медь |
| Продолжительность | Стандартные 250 мм (9,843 дюйма) |
| Диэлектрическая прочность | ≥ 500 VAC @ 50 Hz, между каждой схемой |
| Сопротивление изоляции | 1000 MΩ @ 500 VDC |
| Электрический шум | 1mΩ Min |
| Жилье | Нержавеющая сталь |
Показывать изображение
