Ротационное соединение Слип-ринг Описание
Серия LPR представляет собой группу кольцов для сдвига кнопок, разработанных и изготовленных компанией JINPAT Electronics.который соответствует требованиям RoHSУдобный в установке, он идеально подходит для системы, где передача электричества и энергии осуществляется в небольшом пространстве и требуется подключение и игра в приложении.
Кольцо подключения LPR-8H может использоваться в любой электромеханической системе, которая требует свободного подключения.непрерывное вращение при передаче мощности или данных из неподвижной части в вращающуюся часть.
Устройство LPR-8H является стандартным, готовым устройством, которое использует золотые контакты на вращающемся интерфейсе.
Спецификация
| Схемы | 8 |
| Нынешний рейтинг | 2ckt*5A, 6ckt*20A |
| Напряжение | 240 VAC |
| Диэлектрическая прочность | 500V@50Hz между цепями |
| Изоляция | 100MΩ@500VDC |
| Электрический шум | ≤ 15 мΩ |
| Рабочая скорость | 0 ~ 300 оборотов в минуту |
| Контакт | Драгоценный металл |
| Жилье | Инженерный пластик |
| Размер провода | С серебряным покрытием |
| Рабочая температура | -20~+60°C |
| Степень защиты | IP54 |
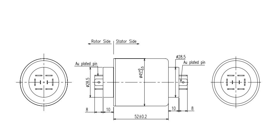
Очертание контуры

Ротационное соединение Слип-Ринг Дисплей продукта
