Насос петрохимического процесса ZA центробежный
Внедрение продукции насоса нефти химическое
Исполнять стандарты продукта: API610 (Ed.10) и VDMA24297 (сверхмощное)
Насос серии ZA стандартный химический горизонтальное, одно-этап и насос одно-всасывания центробежный, ведьма соответствует таким стандартам как DIN24256, ISO2858 и GB5662-85, которое основной продукт среди стандартных химических насосов.
Оно применимый для транспортировать средства массовой информации быть низкотемпературный или высокотемпературный, нейтральный или въедливый, быть чистый или содержа твердые зерна, или быть ядовитый, огнеопасный или взрывно. Он главным образом прикладной в таких индустриях как рафинировка химического машиностроения, нефтехимических веществ, стальных работ, электростанций, papermaking, пульпы, медицины, еды и сахара.
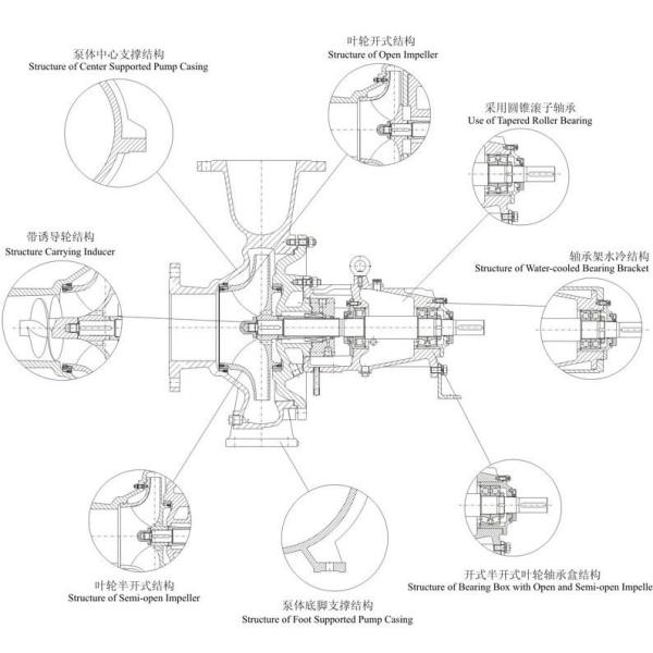
Особенности химического насоса нефти структурные
Тело насоса: принятие структуры поддержки ноги;
Турбинка: закрытые, полу-открытые и полно-открытые типы; сила насоса осевая главным образом сбалансирована задними лезвием или отверстием баланса пока остаточная осевая сила принесена подшипником.
Крышка насоса: она работает с уплотняющей набивкой для того чтобы сформировать герметизируя полость и стандартные размеры полости можно обеспечить с различными типами уплотнения.
Уплотнение вала: согласно различным условиям труда, такие типы уплотнения можно принять как уплотнение упаковки, уплотнение одиночной конечной грани механическое, уплотнение двойной конечной грани механическое, и механическое уплотнение последовательно.
Подшипники: он принимает тонкий режим смазки масла и уровень масла проконтролирован постоянн ровной чашкой масла, которая полно обеспечивающ подшипники работая в хорошем государстве смазки.
Вал: Он защищал втулкой для предотвращения средства от контактировать вал сразу для того чтобы улучшить срок службы вала.
Условия труда насоса нефти химические
Средняя температура: -40°C----+500°C
Подача Q=2~8000m3/h, голова: 3-240 (m)
Давление деятельности: до 50bar
Скорость вращения n=1450~3600 r/min, 50Hz/60Hz
Направление вращения насоса: по часовой стрелке при просмотре от мотора к насосу.


| Нет. | Имя | Материал | Нет. | Имя | Материал | 
| 1 | Кожух | SUS304 | 15 | Железа задний носить | FC200 | 
| 2 | Покрывая кольцо | SUS304 | 16 | Вал | ANSI420 | 
| 3 | Переднее кольцо турбинки | SUS304 | 17 | Задний лоток пыли | FC200 | 
| 4 | Турбинка | SUS304 | 18 | Поддерживая нога | FC200 | 
| 5 | Заднее кольцо турбинки | SUS304 | 19 | Кольцо распорной втулки подшипника | FC200 | 
| 6 | Кольцо Bonnet | SUS304 | 20 | Подшипник сплющенного ролика | Standar | 
| 7 | Bonnet насоса | SUS304 | 21 | Окно уровня масла | PTFE | 
| 8 | Носить дом | FC200 | 22 | Передний лоток пыли | FC200 | 
| 9 | Железа уплотнения | SUS304 | 23 | Нагнетательная труба | SUS304 | 
| 10 | Железа передний носить | FC200 | 24 | Уплотнение вала | M.S, G/P | 
| 11 | Цилиндрический подшипник ролика | Standar | 25 | Рукав вала | SUS304 | 
| 12 | Кольцо стопорного устройства | SUS304 | 26 | Штепсельная вилка винта | SUS304 | 
| 13 | Кран выпуска воздуха | FC200 | 27 | Герметизируя набивка | PTFE | 
| 14 | Угловой шарикоподшипник | Standar | 28 | Гайка турбинки | SUS304 | 




