Насос диафрагмы нержавеющей стали 1 дюйма заваривая водяную помпу PTFE управляемую воздухом
Преимущества насоса диафрагмы нержавеющей стали
Насосы диафрагмы нержавеющей стали RV предусматривают свободную от стойл, безлюдную деятельность. Секрет больший дизайн который приходит оборудованный с уникальными клапанами воздуха которые предлагают энергию - сбережения и большие расходы потока сравниванный к другим эксплуатируемым воздухом технологиям насоса диафрагмы нержавеющей стали.
Дополнительно, для увеличенной надежности, воздух RV привелся в действие насос диафрагмы нержавеющей стали был конструирован с увеличенными всасывающими элеваторами и меньше двигающих частей.
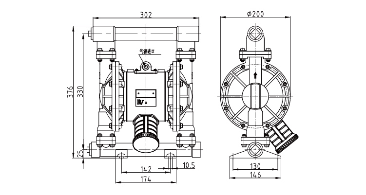
Чертеж размера плана

ПАРАМЕТР
| Место происхождения | Шанхай, Китай |
| Источник питания | Pneumtic |
| Структура | Управляемый воздухом насос диафрагмы |
| Управляемая сила | Обжатый воздух |
| Максимальный позволил зерно | 0,2 в (5mm) |
| Аттестация | CE, ISO: 9001 |
| Размер воздуховода | 1/2 in.npt (f) |
| Намоченный конец | Алюминий |
| Жидкий размер входа | 1 внутри. |
| Жидкий размер выхода | 1 внутри. |
| Установка | 340mm×230mm×440mm |

Введение представления:
Воздух RV привелся в действие насос диафрагмы нержавеющей стали не может только нагнести жидкие жидкости, но также некоторые средства массовой информации которые обычно трудный для того чтобы пропустить. Он обладает преимуществами насоса само-затравки, погруженного в воду насоса, защищая насос, насос slurry, насос примеси и другие машины транспорта.
1. Отсутствие потребности пилотировать воду, всасывающий элеватор до 7m, голова до 80m, MPa насоса ≥ 0,8 давления выхода.
2. Просторный пропуская путь с хорошим представлением через-пропуска, самый большой размер позволенных частиц может быть до 5mm. Пока нагнетающ slurry и примесь, ссадина очень низка.
3. Голову и емкость насоса можно отрегулировать через давление источника воздуха (между 0.1~0.84 MPa).
4. Диапазон температур рабочей Среды: 5~65℃
Введение компании:
CO. технологии Jiangliang, Ltd размещано штаб в городке Shanyang, районе Jinshan Шанхая, с 2 основаниями продукции и 3 ветвями в материке Китая.
Jianglang было награжено как Высокотехнологичный Предприятие и название Кредита Компании в последовательных летах
Мы имеем сильную возможность дизайна, нововведения, продукции точности и плотного сотрудничества с университетами Шанхая


вопросы и ответы
Q1. Могу я иметь заказ образца для управляемого воздухом насоса диафрагмы нержавеющей стали?
: Да, мы приветствуем заказ образца для того чтобы испытать и проверить качество. Смешанные образцы приемлемы.
Q2. Как насчет времени выполнения?
: 3-5 дней для образца подготавливая, 8-10 рабочих дней для массового производства.
Q3. Вы имеете предел MOQ для воздуха привелись в действие заказ диафрагмы?
: Низкое MOQ, 1pc для проверки образца доступно.
Q4. Как вы грузите товары и сколько времени оно принимаете для того чтобы приехать?
: Корабль DHL, UPS, Federal Express или TNT. Он принимает 3-5 дней для того чтобы приехать. Авиакомпания и море грузя также опционное.
Q5. Как осуществляются заказ для насоса диафрагмы нержавеющей стали?
: Во первых позвольте нам знать ваши требования или применение.
Secondly мы закавычим согласно вашим требованиям или нашим предложениям.
В-третьих клиент подтверждает образцы и места депозируют для официального заказа.
В-четвертых мы аранжируем продукцию.