|
Обзор:
Двояковогнутая (двойная вогнутая) цилиндрическая линзаобычно используется для увеличения света в одном измерении или изменения соотношения сторон изображения.Двойная вогнутая цилиндрическая линза может отделять входной коллимированный свет от линии.Они лучше всего подходят для одномерного сжатия изображений, генерации лазерных линий и формирования анаморфотного луча.
Общие характеристики двояковогнутой (двойной вогнутой) цилиндрической линзы:
| Материал |
УФ плавленый кремнезем |
 |
| Расчетная длина волны |
632,8 нм |
| Плоскостность поверхности |
N<3(0,5)@632,8 нм |
| Качество поверхности |
60/40 царапин-копать |
| Допуск на диаметр |
+0/-0,2 мм |
| Допуск по толщине |
±0,2 мм |
| Центрирование |
<3 угловых минуты |
| Допуск на фокусное расстояние |
±2% |
| Очистить диафрагму |
>90% |
| Фаска |
Защитный<0,5 ммx45° |
Стандартные продуктыдвояковогнутой пещеры(двойное вогнутое) Цилиндрическая линза:
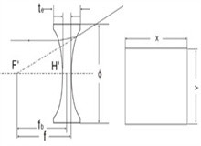
| Деталь № |
Материал |
Д (мм) |
Икс (мм) |
Ф (мм) |
R1 (мм) |
R2 (мм) |
Тс (мм) |
Те (мм) |
| БКИВ1010Ф-20-ФС |
УФФС |
10 |
10 |
-20 |
-18,59 |
18.59 |
2 |
3.4 |
| БКИВ1020Ф-20-ФС |
УФФС |
10 |
20 |
-20 |
-18,59 |
18.59 |
2 |
3.4 |
| БКИВ1010Ф-25-ФС |
УФФС |
10 |
10 |
-30 |
-27,73 |
27,73 |
2 |
2,9 |
| БКИВ1020Ф-25-ФС |
УФФС |
10 |
20 |
-30 |
-27,73 |
27,73 |
2 |
2,9 |
| BCYV2020F-50-ФС |
УФФС |
20 |
20 |
-50 |
-46,17 |
46.17 |
3 |
5.2 |
| BCYV2020F-75-FS |
УФФС |
20 |
20 |
-75 |
-69,02 |
69.02 |
3 |
4,5 |
| BCYV2020F-100-ФС |
УФФС |
20 |
20 |
-100 |
-91,87 |
91,87 |
3 |
4.1 |
| BCYV2020F-150-ФС |
УФФС |
20 |
20 |
-150 |
-137,57 |
137,57 |
3 |
3,7 |
| BCYV2020F-200-ФС |
УФФС |
20 |
20 |
-200 |
-183,28 |
183,28 |
3 |
3,5 |
| BCYV2020F-250-ФС |
УФФС |
20 |
20 |
-250 |
-228,98 |
228,98 |
3 |
3.4 |
| BCYV2020F-300-ФС |
УФФС |
20 |
20 |
-300 |
-274,68 |
274,68 |
3 |
3.4 |
| BCYV2020F-500-ФС |
УФФС |
20 |
20 |
-500 |
-457,49 |
457,49 |
3 |
3.2 |
| BCYV2020F-1000-ФС |
УФФС |
20 |
20 |
-1000 |
-914,5 |
914,5 |
3 |
3.1 |
Варианты покрытияиздвояковогнутый(двойное вогнутое) Цилиндрическая линза:
Обычно наши стандартные двояковыпуклые (двойные вогнутые) цилиндрические линзы не имеют покрытия.Мы предлагаем следующие четыре типичных просветляющих покрытия для уменьшения отражения света от обеих поверхностей.Выберите один из них, соответствующий вашему приложению, или обсудите с нами ваш специальный диапазон волн.
| Однослойное покрытие MgF2 |
Многослойное антибликовое покрытие |
 |
 |
|
Антибликовое покрытие Boradband
|
Антибликовое покрытие с двойной длиной волны
|
 |
 |
Настройте свой собственный объектив:
Чтобы максимизировать и улучшить возможность преобразования дизайна в производство и сэкономить время, приглашаем вас проконсультироваться и обсудить с нами такие вопросы, как доступность материалов, сложность обработки и экономическая эффективность.
|
Земакс Дизайн

|
Земакс Дизайн

|
|
Дизайн Солидворкс

|
Дизайн тонкопленочного покрытия

|
|