SFOM154YZ4-12864WB-01 Спецификация.pdf
1.54" I2C 128x64 SSD1309 OLED дисплейный модуль для Arduino AVR PIC STM32 Синий шрифт
OLED 1,54" для Auduino, 1,54" дюйма I2C OLED экран Описание
Особенности
| Продукт: | 1.54 дюймовый OLED экран | Решение: | Разрешение 128x64 точек |
|---|---|---|---|
| Режим отображения: | Пассивный матричный дисплей | Интерфейс: | I2C, SPI Факультативно |
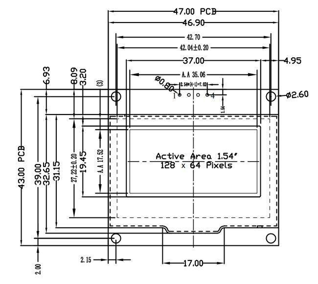
| Оптики: | Все точки зрения | Очертание: | 47.0(L) X 43.0(W) X 13.8(T) мм |
| Активная зона: | 35.06 ((L) X 17.52 ((W) мм | Пиксельный пич: | 0.274 х 0,274 мм |
| Способ вождения: | 1/64 Рабочий цикл | Рабочая температура: | -40°C до +70°C (настраивается) |
| Температура хранения: | -40°C до +85°C | Управляющий блок: | SSD1309 или эквивалентный |
| Номер пин-кода: | 4 штифта заголовка, 7 штифтов необязательно | Соответствие: | Соответствует требованиям REACH & RoHS |
Графические OLED-дисплеи SAEF Technology доступны в трех механических структурах, включая технологию COB, COG и TAB с пассивной матрицей.Доступное графическое монохромное разрешение OLED в графическом дисплее OLED 50x16, 64x128 OLED, 100x8 OLED графики, 100x16 OLED, 100x32 графики OLED, 200x16 графики OLED, OLED 128x32, OLED дисплей 128x64, OLED 128x128, и 256x64 OLED дисплей.Графические OLED-дисплеи в ассортименте SAEF имеют встроенные контроллеры и интерфейсы, включающие параллельныеЭти OLED-модули имеют напряжение 3V или 5V в зависимости от разрешения / цвета.
SAEF предлагает широкий ассортимент OLED-модулей дисплея в размерах от 0,49 "до 5,5" OLED, таких как 0,49 "микро OLED-дисплей, 0,66" мини OLED-дисплей, 0,69 "OLED, 0,91" OLED-дисплей, 0,95" OLED, 0,66 "мини OLED-дисплей, 0,69" OLED, 0,91 "OLED-дисплей, 0,95" OLED, 0,99" OLED-дисплей.96-дюймовый OLED дисплей, 1,5" OLED дисплей, 2" OLED, 2,4" OLED, 2,7" OLED дисплей, 5,5" OLED дисплей, и индивидуальные дизайнерские решения.
SAEF небольшие OLED дисплейные модули идеально подходят для ряда устройств, которые требуют электронной панели отображения.Домашние приложения, промышленный инструмент, система POS, автоматизация, аудио/визуальные системы отображения, медицинские устройства, приборы для личной гигиены, предметы домашнего обихода, автомобильные дисплеи, Динамические информационные дисплеи.
OLED 1,54" для Auduino, 1,54" дюйма I2C OLED Screen Drawing


OLED 1,54" для Auduino, 1,54" дюйма I2C OLED Screen Изображение продукта




ФАБРИКА И УСОБОДЫ











Контакт
Добро пожаловать для запроса через ck@saef.com.cn
Ключевое слово поиска:128x64 oled, oled 128x64, 1,54 oled,1.54" OLED,1.54дюйм OLED, OLED1.54"Дисплей I2C OLED 1.54,SPI OLED дисплей 1.54, I2C1.54", I2C1.54дюймовый OLED,SSD1309 OLED дисплей,SSD1306 OLED 1.54",микро OLED,1.54 мини OLED дисплей,тонкий OLED-дисплей,крошечный OLED-дисплей,круглый OLED-дисплей,цветной OLED-дисплей,OLED сенсорный дисплей.