Протягиванный тип 6,5 дисплей Адвокатуры битов Pin RGB 24 модуля 800x320 ILI5960 ILI6122 50 экрана TFT
Тип LCD 6,5" Адвокатуры, 6,5 описание дюйма TFT LCD
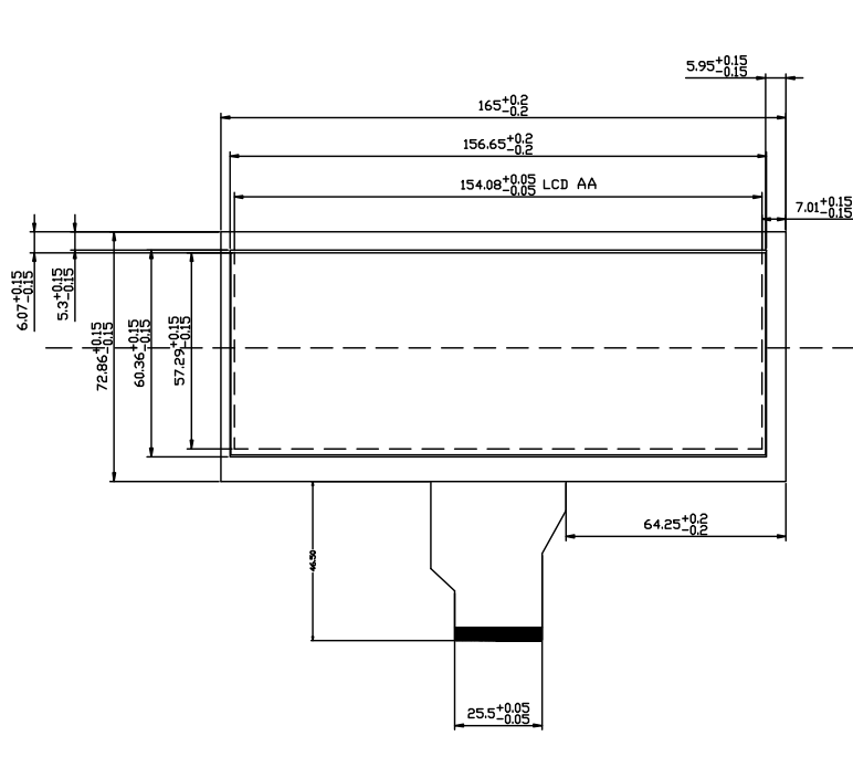
Модуль SAEF SF-TO650B-8961A-N TFT LCD 6,5 тип размер 165x72.86x3.5 mm бара полного цвета дюйма раскосных 800xRGBx320 плана модуля TFT, размер AA 154,08 x 57,28 mm. Это 6,5" TFT LCD может быть нестандартной конструкцией с сопротивляющимся экраном касания и емкостным экраном касания. его можно использовать во врезанных системах, промышленном приборе, безопасности и ручном оборудовании которые требуют дисплея в высококачественном и красочном изображении. SF-TO650B-8961A-N с (nits) поверхностной яркостью 500cd/m2, этот модуль дисплея LCD может работать на температурах from-20℃ к +70℃.
| Ключевые слова: | Тип экран Адвокатуры 6,5 дюймов TFT LCD | Экран касания: | С PCAP опционным (ориентированный на заказчика) |
|---|---|---|---|
| Разрешение: | 800x320 | Размер защитного прозрачного стекла: | Ориентированный на заказчика |
| Интерфейс: | Биты RGB 24 | Поверхностная яркость: | 500 Cd/m2 (nits) |
| Продолжительность жизни СИД: | 40 000 часов | Штыри: | 50 штырей |
| Осматривая направление: | 12 часа | Соединение: | ZIF/затыкать |
| Работая Temp.: | – 20℃ к +70℃ | Соответствие: | ДОСТИГАЕМОСТЬ & RoHS уступчивые |
Преимущества продукта:
коэффициент сжатия основного направления 1.The панели TFT LCD в рынке 4:3 или 16: 9. Но для некоторых применений, тип форма бара индикаторной панели был бы лучше чем настоящее 4:3 или 16:9 основного направления показать необходимую информацию.
тип TFT Адвокатуры размеров предложения 2.We различный (протягиванный дисплей LCD Адвокатуры) включая размеры 3,9 дюймов, 4,6 дюймов и 5,2 дюймов. Соотвествовать клиентов особенно для промышленных применений.
3.We начинают более производное решение от этих тип TFT Адвокатуры как ниже: 1 - с отверстием винта на варианте версии рамки. 2 - с емкостной сенсорной панелью или сопротивляющимся вариантом сенсорной панели. 3 - вариант версии высокой яркости.
4. Превосходное представление дисплея цвета предпосылки, яркости, угла наблюдения, и интенсивности, etc.
5. Широкая температура верхней части ℃ -20 к +70℃ и высококачественного уровня для промышленных применений.
6. Решение цены конкурсное с хорошим качеством среди таких же видов в индустрии LCD.
Проверка качества
1.For каждая часть, мы имеем 3 раза тест 100% для обеспечения хорошего качества.
менеджер QA 2.The в индустрии LCD на больше чем 14 лет. Ключевое производство и операторы QA в индустрии LCD на больше чем 7-8 лет. Наша команда все очень профессиональные и испытанный в LCD сохранил для обеспечения качества для клиентов.
Обслуживание клиента
1.Before подписывая официальный контракт с нашим клиентом мы поможем проанализировать и обеспечить профессиональное решение основанное на данных по проекта клиента и прийти вне с оптимальным решением.
2. Ваше дознание связанное с нашими продуктами или цена будут отвечены в 24 часах.
3. Keep сообщая наш производственный процесс клиента и помочь аранжировать качество проверяя в фабрике при необходимости.
4. Одногодичная гарантия для нашего дисплея LCD после доставки. Все дефекты можно возвратить и заменить в пределах период гарантии.
5. Покупатель может послать техника к нашей фабрике бесплатно тренируя перед доставкой.
6. Мы фокусируем на создании значений для клиентов. Для необходимой технической или коммерчески поддержки, мы аранжируем встречу жулик-звонка, онлайн техническое обслуживание, или помощь на-места местную, etc для того чтобы отвечать потребностямы клиента различные.
вопросы и ответы:
Q1. Могу я иметь заказ образца?
: Да, мы приветствуем заказ образца для того чтобы испытать и проверить качество. Смешанные образцы различных номеров деталя приемлемы.
Q2. Как насчет времени выполнения?
: Для продуктов -полки, образцы в-запаса немедленно. 1-1.5 wks для remaking образца. 4-6 wks для массового производства. Для дизайн-в продуктов, 2-3 дня для встречного рисуя предложения; 2 wks для образца делая на рисуя утверждении; 5-6 wks для осуществляемого проб/массового производства на утверждении образца.
Q3. Вы имеете предел MOQ для образца и заказа продукции?
: Низкое MOQ. 3-5pcs для проверки образца доступно. Массовое производство MOQ нормально 1K/lot. Мы поддерживаем qty более низкий чем MP MOQ для заказа trail-run/PP-run.
Q4. Как вы грузите товары и сколько времени оно принимаете для того чтобы приехать?
: Корабль DHL, UPS, Federal Express или TNT. Он принимает 5-7 дней для того чтобы приехать. Авиакомпания и море грузя также опционное.
Q5. Как осуществляются заказ для модуля LCD?
: Во первых позвольте нам знать ваши требования или применение.
Secondly мы закавычим согласно вашим требованиям или нашим предложениям.
В-третьих клиент подтверждает образцы и места депозируют для официального заказа.
В-четвертых мы аранжируем продукцию.
Q6. Оно В ПОРЯДКЕ напечатать мой логотип на продукте LCD?
: Да. Пожалуйста сообщите нас официально в стадии проектирования, и нас сделает образцы с вашим логотипом для ваших типового теста и утверждения. На утверждении образца, массовое производство следовать одобренными образцами.
Q7: Вы предлагаете гарантируете для продуктов?
: Да, мы предлагаем гарантию 1 года к нашим продуктам.
Q8: Как общаться с небезупречным?
: Во первых, наши продукты произведены в строгой системе проверки качества и неполноценный тариф будет чем 0,2%.
Secondly, во время гарантийного периода, мы отправим новые lcds с новым порядком для небольшого количества. Для неполноценных продуктов серии, мы отремонтируем их и отправлять их к вам или нам может обсудить решение включая отозвание согласно реальной ситуации.
Тип LCD 6,5" Адвокатуры, 6,5 чертеж дюйма TFT LCD

Тип LCD 6,5" Адвокатуры, 6,5 изображение продукта дюйма TFT LCD реальное



Ключевое слово поиска: tft 6,5", 6,5 tft lcd, 6,5"tftlcd, tft lcd 6,5 дюймов, tft lcd 6,5, дисплей 6,5 tft, 6,5"дисплейtft, дисплей tft 6,5 дюймов, tft показывает6,5 дюйма, tft показывает 6,5", дисплей lcd tft 6,5 дюймов, тип TFT бара 6,5 дюйма, тип TFT 6,5" бара, тип TFT бара 6,5 дюймов, 6,5" тип дисплей бара, протягиванный 6,5" тип дисплей бара TFT.