точки модуля 5×8 дисплея LCD характеров 8x2 VATN Monochrome включают дисплей курсора цифробуквенный
VATN цифробуквенный LCD показывают 8x2, показывают описание LCD 8x2
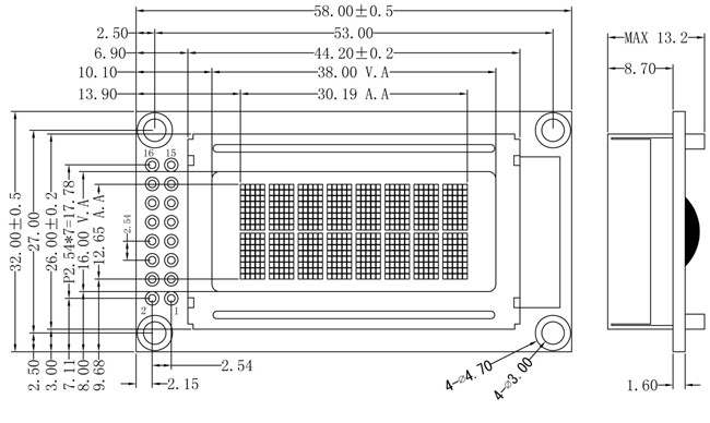
Это характер 8 2 линией дисплей LCD с черной предпосылкой и приведенные красные освещают контржурным светом. Это модельное VATN LCD с размером плана 58 x 32 mm. Мы обеспечиваем 6800, интерфейс SPI и I2C для того чтобы соотвествовать клиента различный.
Дисплей VATN отличен с широким углом наблюдения и сверхконтрастный коэффициент, поэтому, очень соответствующее для много применений. Ниже примеры для ссылки.
- Промышленный: Автомобильное применение, цифровой метр, UPS
- Медицинский: медицинская служба & медицинское оборудование
- Бытовая техника: аудио, машина кофе, микроволновая печь
- Автомобиль: приборная панель, аудио автомобиля
Определение Pin:
1 VSS, (0V) Земля силы
2 VDD, (5V) Электропитание для логики
3 V0, Контраст регулирует
4 RS, (H/L) H: Данные l: Команда
5 R/W, (H/L) R: Прочитанный w: Напишите
6 e, (H, H->L) Разрешающий сигнал
7~14 DB0--DB7, (H/L) Databus
15 СИД a, электропитание 5.0V для СИД освещает контржурным светом
16 СИД k, электропитание 0V для СИД освещает контржурным светом
| Продукт: | Модуль LCD характера VATN 8x2 | Характеры/столбцы: | 8 характеров x 2 линии |
|---|---|---|---|
| Тип LCD: |
VATN, отрицательный, Transmissive |
Осветите цвет контржурным светом: |
Белый, голубой, желтый, красный, Зеленый, пурпурный и янтарный |
| Рабочий потенциал: | 5V, 3V опционное | Оптика: | Все углы наблюдения |
| Конспектируйте тусклое.: | 58,0 (l) x 32,0 (w) x 13,2 (t) mm | Осматривая область: | 38,0 (l) x 16,0 (w) mm |
| Управлять методом: | 1/16 обязанность, 1/5 смещений | Работая Temp: | -20°C к +70°C |
| Секретный номер: | 16 штырей (ориентированных на заказчика) | Регулятор: | SPLC780D или эквивалент |
| Интерфейс: | 6800, MPC, I2C опционное | Соответствие: | ДОСТИГАЕМОСТЬ & RoHS уступчивые |
Особенности дисплея LCD VATN в сверхконтрастном, широком угле наблюдения, высокой яркости. Дисплей VA может заменить черную маску и DFSTN (двойной фильм Conpensative STN). Соответствующее для контроля доступа, полотняных товаров, аудио, медицинских служб, POS, применений доски черточки. Дисплей VATN альтернатива для традиционного дисплея lcd цифробуквенного. Дисплей VATN SAEF, цифробуквенный модуль дисплея LCD доступен в 8x2 LCD, 16x1 LCD, 16x2 LCD, 16x4 LCD, 20x2 LCD, 20x4 LCD с освещает варианты контржурным светом в белом, голубом, желтом, красном, зеленом, пурпурном и янтарном цвете.
VATN цифробуквенный LCD показывают 8x2, показывают чертеж LCD 8x2

VATN цифробуквенный LCD показывают 8x2, показывают изображение продукта LCD 8x2 реальное








ФАБРИКА И ОБЪЕКТЫ












КОНТАКТ
Добро пожаловать, который нужно запросить через ck@saef.com.cn
Ключевое слово поиска: 8x2 lcd, цифробуквенное 8x2 lcd, lcd 8x2, 8x2 характер, характер lcd 8x2, цифробуквенный LCD 0802 1602, УДАР 8x2 LCM, 802 УДАР LCD, VATN 8x2, цифробуквенный LCD показывают 8x2, показывают LCD 8x2, LCD VATN 8x2