Интерфейс SPI 2,4 дюйма TFT LCD Введение продукта
2,4-дюймовый TFT LCD-экран является распространенным активным матричным LCD-дисплеем с высоким разрешением, яркими цветами и быстрой скоростью отклика.промышленные контрольные поляВ области бытовой электроники 2,4-дюймовые TFT-экран широко используются в умных носимых устройствах, портативных игровых консолях, панелях управления умным домом и других продуктах.Его полный цвет и широкий угол обзора удовлетворяют требованиям потребителей к эффектам отображения.
24-дюймовый IPS TFT дисплей с разрешением 240 × 320 пикселей обеспечивает четкое отображение изображения.Эта модель SFTO240JY-7179AN имеет интерфейс SPI и может достичь яркости 400cd / m 2Он использует технологию IPS, обеспечивающую почти 180° полное поле зрения, обеспечивая хороший визуальный опыт со всех углов.Продукт может работать от -20 до 70 °C и адаптироваться к различным условиям окружающей средыОн может храниться в температуре от -30 до 80 °C, что гарантирует, что длительное хранение не повлияет на его производительность.
Особенности
| Положение | Спецификация | Единица |
| Режим отображения | Обычно черный, передающий. | / |
| Направление просмотра | Все | / |
| Цвета | 262K | / |
| Диск IC | СТ7789 | / |
| Тип интерфейса | 4 линия SPI | / |
| Размерный очертание | 42.72 ((W) х 59,46 ((H) х 2,34 ((T) |
мм |
| Активная зона | 36.72 ((W) х 48.96 ((H) |
мм |
| Резолюция | 240 RGB ((H) x 320 ((V) | пиксели |
| Пиксельный диапазон | 0.153 ((W) х 0.153 ((H) |
мм |
Очертание контуры

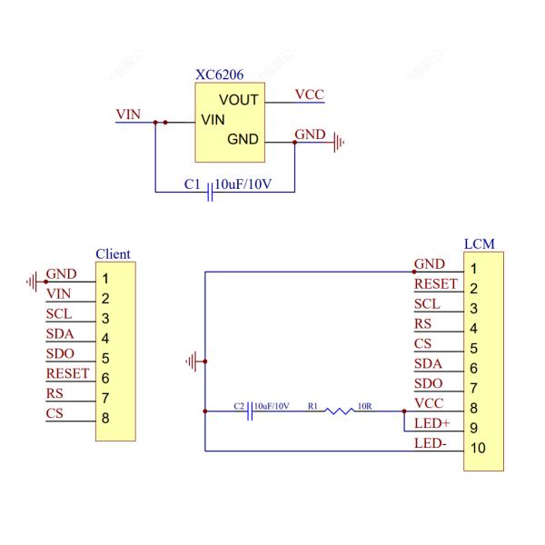
Описание интерфейса
|
- Нет, нет. |
Символ | Описание |
| 1 | ГНД | Земля |
|
2 |
РС |
Зарегистрируйте выбранный пин, RS= ∆ 1 ∆: отображение данных. RS= ≈ 0 ≈: Командные данные. |
| 3 | CS |
Чип выбирает пин (("Низкий" включен) |
| 4 | SCL | Серийный кнопку часов. |
| 5 | SDA | Ввод/вывод серийных данных |
| 6 | Перезагрузка | Пин LCM Reset |
| 7 | ВКК | Электрическое питание для аналоговых устройств (2.8V-3.3V) |
| 8 | ГНД | Земля |
| 9 | Светодиод + | Анод подсветка |
| 10 | Светодиодные... | Катод подсветка |
Схематическая схема

Абсолютные максимальные рейтинги
| Параметр | Символ | Минуты | Макс | Единица |
| Напряжение логического питания | ОВВСК | -Нет.3 | 4.6 | V |
| Напряжение аналогового питания | ВКК | -Нет.3 | 4.6 | V |
| Рабочая температура | Сверху | - 20 | 70 | °C |
| Температура хранения | Tst | -30 | 80 | °C |
| Влажность | RH |
- Я... |
90% ((Max60C) | RH |
Электрические характеристики
| Параметр | Символ | Минуты | Тип | Макс | Единица |
| Напряжение логического питания | ОВВСК | 1.65 | 1.8/2.8 | 3.3 | V |
| Напряжение аналогового питания | ВКК | 2.6 | 2.8 | 3.3 |
- Я... |
| Вводный ток | Идд. |
- Я... |
20 |
- Я... |
mA |
Характеристики подсветки
| Положение | Символ | Минуты | Тип | Макс | Единица |
| Напряжение вперед | Vf | 3.0 | 3.2 | 3.4 | V |
| Впередний ток | Если |
- Я... |
80 |
- Я... |
mA |
| Время эксплуатации |
- Я... |
- Я... |
40000 |
- Я... |
Часы |
Оптические характеристики
| Параметр | Символ | Состояние | Минуточку. | Тип. | Макс. Макс. | Единица | |
|
Угол обзора Диапазон |
Горизонтальные | Θ3 |
CR>10 |
70 | 80 | - | Дег. |
| Θ9 | 70 | 80 | - | Дег. | |||
| Вертикальная | Θ12 | 70 | 80 | - | Дег. | ||
| Θ6 | 70 | 80 | - | Дег. | |||
| Соотношение контраста | КР | Θ = 0.. | 1000 | 1500 | - | ||
| Трансмиссивность | Тр | 4 | 4.65 | % | |||
| Цветовая гамма | CG | 65 | 70 | % | |||
|
Репродукция цвет
|
Красный | Rx |
Θ = 0.. |
0.632 | 0.652 | 0.672 | |
| Ры | 0.302 | 0.322 | 0.342 | ||||
| Зеленый | Gx | 0.256 | 0.276 | 0.296 | |||
| Ги | 0.562 | 0.582 | 0.602 | ||||
| Синий | Bx | 0.121 | 0.141 | 0.161 | |||
| От: | 0.071 | 0.091 | 0.111 | ||||
| Белая хроматика | Wx | Θ = 0.. | 0.287 | 0.307 | 0.327 | ||
| Уай | 0.314 | 0.334 | 0.354 | ||||
| Время ответа | Tr + Tf | Ta= 25.C Θ = 0.. | 35 | 45 |
мс |
||
Фото продуктов




Экологические / испытания надежности
| Нет, нет. | Испытательный пункт | Состояние | Примечания |
| 1 | Операция при высоких температурах | Ts= +80°C, 240 часов |
Примечание 1 IEC60068-2-2, GB2423. 2-89 |
| 2 | Работа при низкой температуре | Ta= -30°C, 240 часов | Примечание 2 IEC60068-2-1 GB2423.1-89 |
| 3 | Хранение при высокой температуре | Ta= +80°C, 240 часов | IEC60068-2-2 GB2423. 2-89 |
| 4 | Хранение при низкой температуре | Ta= -30°C, 240 часов | IEC60068-2-1 GB/T2423.1-89 |
| 5 | Хранение при высокой температуре и влажности | Ta= +60°C, 90% RH max, 160 часов |
IEC60068-2-3 GB/T2423.3-2006 |
| 6 | Тепловой удар (недействительность) | -30°C 30 мин ~ +80°C 30 мин Время изменения: 5 мин, 30 циклов |
Начнем с холода. температура, заканчивается высокая температура IEC60068-2-14, GB2423.22-87 |
|
7 |
Электростатический разряд (операция) |
C=150pF, R=330 Ω, 5 баллов/панель Воздух:±8КВ, 5 раз; контакт: ±4КВ, 5 время; (среда: 15°C ~ 35°C, 30% ~ 60%, 86Kpa ~ 106Kpa) |
IEC61000-4-2 GB/T17626.2-1998 |
|
8 |
Вибрация (неоперация) |
Диапазон частот: 10 ~ 55 Гц, удар: 1.mm Стрелка: 10Hz~55Hz~10Hz 2 часа в каждом направлении X.Y.Z. (состояние упаковки) |
IEC60068-2-6 GB/T2423.5-1995 |
| 9 | Удар (недействительность) |
60G 6ms, ± X, ± Y, ± Z 3 раза в каждом направлении |
IEC60068-2-27 GB/T2423.5-1995 |
| 10 | Испытание упаковки |
Высота: 80 см, один угол, три края, 6 поверхностей |
IEC60068-2-32 GB/T2423.8-1995 |
Устройства и сертификаты


Ключевое слово поиска: tft 2.4", 2.4 tft lcd, 2.4" tft lcd, 2.4 дюйма tft lcd, tft lcd 2.4, 2,4 дюйма tft дисплей, 2,4 дюйма tft дисплей, 2,4 дюйма tft дисплей, 2,4 дюйма tft дисплей, 2,4 дюйма tft дисплей, 2,4 дюйма tft lcd дисплей, 2,4 дюйма tft дисплей, 2,4 дюйма tft дисплей, 2,4 дюйма tft дисплей, 2,4 дюйма tft дисплей, 2,4 дюйма tft дисплей, 2,4 дюйма tft дисплей,2,4-дюймовый LCD-экран