Легированная сталь затвердела полируя Pin параллели с внутренним потоком
Pin затвердетый легированной сталью полируя параллельный с внутренним потоком сделанным в Китае.
Один конец этих штырей выстучан, и другое скошено для легкого ввода. Для того чтобы извлечь, продеть нитку винт или инструмент в выстучанное отверстие, тогда вытяните штырь вне. Потому что они не провентилированы.
Штыри которые соотвествуют спецификациям ASME B18.8.2 соответствуют стандартам ASME для материала и размеров.
Метрические штыри соотвествуют спецификациям DIN 7979D-m6.
Стальные штыри имеют хорошую прочность. Штыри с финишем черно-окиси сопротивляются заржаветь в сухих окружающих средах.
| Имя продуктов | Легированная сталь затвердела полируя Pin параллели с внутренним потоком |
| Стандарт: | DIN, ISO EN ASTM/ANSI JIS, КАК, GB |
| Материал | Сталь углерода, алюминий; Нержавеющая сталь: SS304, SS316, SS316L |
| Отделка | Черная окись, покрытый цинк, Dacromet, яркий и чистый |
| Родственные продукты | Болты, плоская шайба, и шайба весны |
| Применения | Продетое нитку внутреннее прикалывает самое лучшее работы в сквозных отверстиях. Используйте их как оси, шарниры, валы, джиги, и приспособления для того чтобы устроить или придержать части. Штыри земля точности для точного выравнивания. Разрывное усилие измерено как двойные ножницы, которые сила необходимо, что сломали штырь в 3 части. |
| Продукты запаса | Внутренние продетые нитку штыри можно произвести как ваши чертежи. |
| Получите свободные образцы для стандартной крепежной детали от CO. аппаратных продуктов Jiangyin XiangGu, Ltd | |
| Фокус на поставляя высококачественных крепежных деталях. | |
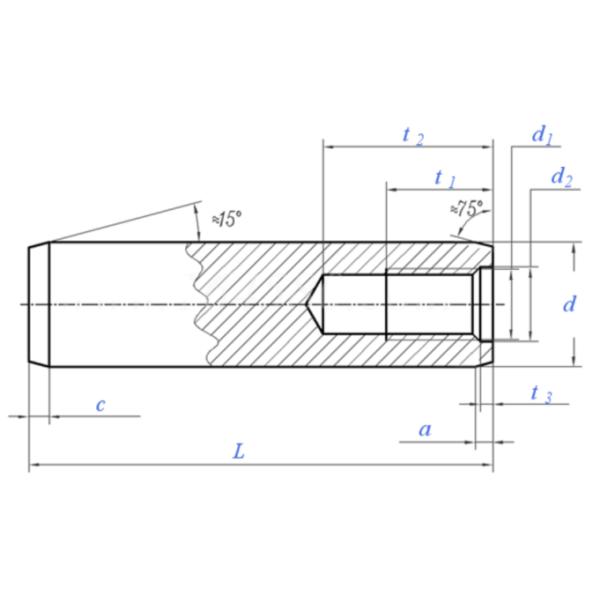
Чертеж:
| Параллельные штыри с внутренним потоком | ||||||||||
| GB 120 | ||||||||||
![]() |
||||||||||
| d (mm) | d m6 | a | c | d1 | P | d2 | t1 | t2 | t3 | |
| минута | максимальный | приблизительно. | приблизительно. | Тангаж | MIN. | |||||
| 6 | 6,004 | 6,012 | 0,8 | 1,2 | M4 | 0,7 | 4,3 | 6 | 10 | 1 |
| 8 | 8,006 | 8,015 | 1 | 1,6 | M5 | 0,8 | 5,3 | 8 | 12 | 1,2 |
| 10 | 10,006 | 10,015 | 1,2 | 2 | M6 | 1 | 6,4 | 10 | 16 | 1,2 |
| 12 | 12,007 | 12,018 | 1,6 | 2,5 | M6 | 1 | 6,4 | 12 | 20 | 1,2 |
| 16 | 16,007 | 16,018 | 2 | 3 | M8 | 1,25 | 8,4 | 16 | 25 | 1,5 |
| 20 | 20,008 | 20,021 | 2,5 | 3,5 | M10 | 1,5 | 10,5 | 18 | 28 | 1,5 |
| 25 | 25,008 | 25,021 | 3 | 4 | M16 | 2 | 17 | 24 | 35 | 2 |
| 30 | 30,008 | 30,021 | 4 | 5 | M20 | 2,5 | 21 | 30 | 40 | 2 |
| 40 | 40,009 | 40,025 | 5 | 6,3 | M20 | 2,5 | 21 | 30 | 40 | 2,5 |
| 50 | 50,009 | 50,025 | 6,3 | 8 | M24 | 3 | 25 | 36 | 50 | 2,5 |



вопросы и ответы:
Q1. Могу я иметь заказ образца для болта с буртиком наговора?
: Да, мы приветствуем заказ образца для того чтобы испытать и проверить качество.
Q2. Как насчет времени выполнения?
: 3-5 дней для образца подготавливая, 8-10 рабочих дней для массового производства
Q3. Вы имеете предел MOQ для заказа болта с буртиком наговора?
: Низкое MOQ, 1pc для проверки образца доступно.
Q4. Как вы грузите товары и сколько времени оно принимаете для того чтобы приехать?
: Корабль DHL, UPS, Federal Express или TNT для заказа образца, и им принимает о 3-7days
Корабль морским путем от порта Шанхая, и он принимают 3-30days для того чтобы приехать.
Q5. Как осуществляются заказ для болта с буртиком наговора?
: Во первых позвольте нам знать ваши требования или применение.
Secondly мы закавычим согласно вашим требованиям или нашим предложениям.
В-третьих клиент подтверждает образцы и места депозируют для официального заказа.
В-четвертых мы аранжируем продукцию.