Описание продукта:
Эти винты с головкой под торцевой ключ с резьбой Allen представляют собой крепежные детали из легированной стали класса 12.9 с цинковым покрытием.
Цинковое покрытие обеспечивает значительное улучшение защиты от элементов, сохраняя при этом винт или болт класса 12.9 для тяжелых условий эксплуатации.
Нержавеющая сталь не может сравниться по прочности.
Особенности продукта:
| Характеристики | ДИН912/ИСО4762 |
| Резьбовой | Полная резьба |
| Размер резьбы | Грубая (стандартная) резьба |
| Тип | Винт с головкой под торцевой ключ |
| Система измерения | Метрика |
| Материал | Оцинкованная сталь класса 12.9 |
| Уход | Хрупкость водорода |
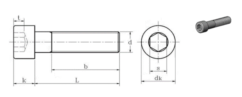
Чертеж продукта:
| Винты с внутренним шестигранником | |||||||||
| ДИН 912-1983 | |||||||||
![]() |
|||||||||
| д (мм) | Р (мм) | б (мм) | дк (мм) | к (мм) | с (мм) | т (мм) | |||
| мин | Максимум | мин | Максимум | мин | Максимум | мин | |||
| М1.4 | 0,3 | 14 | 2,46 | 2,74 | 1,26 | 1,4 | 1,32 | 1,36 | 0,6 |
| М1.6 | 0,35 | 15 | 2,86 | 3.14 | 1,46 | 1,6 | 1,52 | 1,56 | 0,7 |
| М2 | 0,4 | 16 | 3,62 | 3,98 | 1,86 | 2 | 1,52 | 1,56 | 1 |
| М2,5 | 0,45 | 17 | 4,32 | 4,68 | 2,36 | 2,5 | 2.02 | 2.06 | 1.1 |
| М3 | 0,5 | 18 | 5.32 | 5,68 | 2,86 | 3 | 2,52 | 2,58 | 1,3 |
| М4 | 0,7 | 20 | 6,78 | 7.22 | 3,82 | 4 | 3.02 | 3.08 | 2 |
| М5 | 0,8 | 22 | 8,28 | 8,72 | 4,82 | 5 | 4.02 | 4.095 | 2,5 |
| М6 | 1 | 24 | 9,78 | 10.22 | 5.7 | 6 | 5.02 | 5.14 | 3 |
| М8 | 1,25/1 | 28 | 12,73 | 13.27 | 7,64 | 8 | 6.02 | 6.14 | 4 |
| М10 | 1,5/1,25/1 | 32 | 15,73 | 16.27 | 9,64 | 10 | 8.025 | 8.175 | 5 |
| М12 | 1,75/1,5/1,25 | 36 | 17,73 | 18.27 | 11.57 | 12 | 10.025 | 10.18 | 6 |
| М14 | 2/1,5 | 40 | 20,67 | 21.33 | 13.57 | 14 | 12.032 | 12.21 | 7 |
| М16 | 2/1,5 | 44 | 23,67 | 24.33 | 15.57 | 16 | 14.032 | 14.21 | 8 |
| М18 | 2,5/2/1,5 | 48 | 26,67 | 27.33 | 17.57 | 18 | 14.032 | 14.21 | 9 |
| М20 | 2,5/2/1,5 | 52 | 29,67 | 30.33 | 19.48 | 20 | 17.05 | 17.23 | 10 |
| М22 | 2,5/2/1,5 | 56 | 32,61 | 33,39 | 21.48 | 22 | 17.05 | 17.23 | 11 |
| М24 | 3/2 | 60 | 35,61 | 36.39 | 23.48 | 24 | 19.065 | 19.28 | 12 |
| М27 | 3/2 | 66 | 39,61 | 40,39 | 26.48 | 27 | 19.065 | 19.28 | 13,5 |
| М30 | 3,5/2 | 72 | 44,61 | 45,39 | 29.48 | 30 | 22.065 | 22.28 | 15,5 |
| М33 | 3,5/2 | 78 | 49,61 | 50,39 | 32,38 | 33 | 24.065 | 24.28 | 18 |
| М36 | 4/3 | 84 | 53,54 | 54,46 | 35,38 | 36 | 27.065 | 27.28 | 19 |
| М42 | 4,5/3 | 96 | 62,54 | 63,46 | 41,38 | 42 | 32.08 | 32.33 | 24 |
| М48 | 5/3 | 108 | 71,54 | 72,46 | 47,38 | 48 | 36.08 | 36,33 | 28 |
| М56 | 5,5/4 | 124 | 83,46 | 84,54 | 56,26 | 57 | 41.08 | 41,33 | 34 |
| М64 | 6/4 | 140 | 95,46 | 96,54 | 63,26 | 64 | 46.08 | 46,33 | 38 |
| М72*4 | 6/4 | 156 | 107,5 | 108,5 | 71,26 | 72 | 55,1 | 55,4 | 43 |
| М80*4 | 6/4 | 172 | 119,5 | 120,5 | 79,26 | 80 | 65,1 | 65,4 | 48 |
| М90*4 | 6/4 | 192 | 134,4 | 135,6 | 89,13 | 90 | 75,1 | 75,4 | 54 |
| М100*4 | 6/4 | 212 | 149,4 | 150,6 | 99,13 | 100 | 85,12 | 85,47 | 60 |
Производственный цех:

Склад продукции:
