Описание продукта:
Винты из нержавеющей стали
18-8Винты с полукруглой головкой из нержавеющей стали обладают хорошей химической стойкостью и могут быть слегкамагнитный.Длина измеряется из-подглава.Для винтов с частичной резьбой длина резьбы может варьироваться от минимальной опубликованной длины резьбы до полной.резьбовой.
Пассивированныйвинты из нержавеющей стали обеспечивают дополнительную защиту от окисления икоррозия.
| Название продуктов | Крепежный винт из нержавеющей стали 18-8 |
| Стандарт: | ДИН, АСТМ/АНСИ ДЖИС ЭН ИСО, АС, ГБ |
| Материал | Углеродистая сталь: Q235, № 45,65Mn, № 70; нержавеющая сталь: SS304, SS316, SS316L |
| Марка стали: класс 4, класс 8, класс 10 и класс 12 | |
| Отделка | Черный оксид, HDG (горячее цинкование), желтый оцинкованный, синий белый оцинкованный, дакромет, ПТФЭ |
| сопутствующие товары | Шестигранная гайка, плоская шайба и пружинные шайбы. |
| Заявление |
Крепежные винты используются для крепления компонентов машин, приборов и многого другого. Винты располагаются под углом под головкой, чтобы сидеть заподлицо с потайными отверстиями. |
| Складские продукты | Крепежный винт на складе с нержавеющей сталью и черным оксидом, оцинкованным, желтым цинком и HDG |
| Получите бесплатные образцы стандартного крепежа от Jiangyin XiangGu Hardware Products Co., Ltd. | |
| Сосредоточьтесь на поставке высококачественных крепежных деталей. | |
Рисунок:
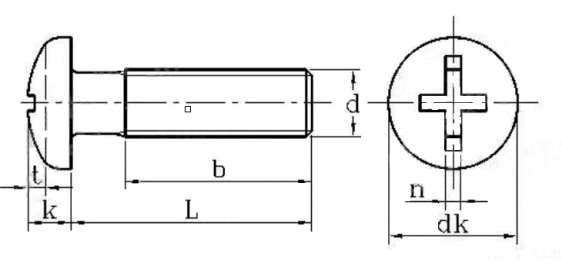
| Комбинированные крепежные винты с круглой головкой и крестообразным шлицем | ||||||||
| ANSI/ASME B18.6.3-2010 Таблица 20 | ||||||||
![]() |
||||||||
| д(ич) | дк(ич) | к(ич) | н (ич) | т(ич) | ||||
| мин | Максимум | мин | Максимум | мин | Максимум | мин | Максимум | |
| #2 | 0,155 | 0,167 | 0,053 | 0,062 | 0,023 | 0,031 | 0,02 | 0,031 |
| #3 | 0,18 | 0,193 | 0,069 | 0,078 | 0,027 | 0,035 | 0,023 | 0,036 |
| #4 | 0,205 | 0,219 | 0,076 | 0,086 | 0,031 | 0,039 | 0,027 | 0,04 |
| #5 | 0,231 | 0,245 | 0,085 | 0,095 | 0,035 | 0,043 | 0,03 | 0,045 |
| #6 | 0,256 | 0,27 | 0,093 | 0,103 | 0,039 | 0,048 | 0,033 | 0,054 |
| #8 | 0,306 | 0,322 | 0,11 | 0,12 | 0,045 | 0,054 | 0,041 | 0,058 |
| #10 | 0,357 | 0,373 | 0,126 | 0,137 | 0,05 | 0,06 | 0,048 | 0,068 |
| 1/4 | 0,473 | 0,492 | 0,162 | 0,175 | 0,064 | 0,075 | 0,063 | 0,087 |
| 5/16 | 0,594 | 0,615 | 0,203 | 0,218 | 0,072 | 0,084 | 0,076 | 0,106 |
| 3/8 | 0,716 | 0,74 | 0,244 | 0,261 | 0,081 | 0,094 | 0,09 | 0,123 |



Часто задаваемые вопросы
A: Мы фабрика и OEM доступны.
О: обычно это 2-5 дней, если товар есть на складе, или 15-30 дней, если товара нет на складе, в зависимости от количества.
О: Да, мы можем предложить образец бесплатно, но не оплачиваем стоимость перевозки.
A: 30% T/T заранее, баланс перед отправкой или L/C.
Если у вас есть другой вопрос, пожалуйста, свяжитесь с нами.