Раскройте измерители прокачки канала ультразвуковые для конвертера обработки 600м3/х нечистот и сточных водов
Описание
Оно имеет доказанное достижение создания ведущих в отрасли нововведений с непоколебимой точностью продукта в мире измерения подачи открыт-канала. Уполномочивающ вас с истинными и своевременными данными по подачи для вашего анализа, позвольте вы сделать критическую отработанную воду пропустить решения с абсолютным доверием.
Общее введение
Счетчик- расходомер открытого канала ультразвуковой аппаратура измерения подачи высокой точности, который используют принцип ультразвука времени перехода для того чтобы измерить подачу в разнообразие Флумес, плотины или ринвы.
Основной технический индекс
| Модель | ВХ |
| Применимые плотины | Слот плотины правого треугольника (открытый размер: 500мм) |
| Флуме Паршалл (ширина пути гортани: 51мм, 76мм, 152мм, 228мм, 300мм) | |
| Прямоугольная плотина (размер отверстия: 250мм, 500мм, 750мм) | |
| Ряд подачи | в зависимости от размеров плотин, который нужно использовать, до 335000 м3/хр |
| Точность подачи | 5% ФС |
| Ровный ряд | 1м |
| Ровная точность | 0,5% ФС |
| Зона датчика слепая | <300мм @ 25К |
| Выход | 4-20 мам, три провода |
| Дисплей |
Дисплей ЛКД, включает: 4 уровня |
| Температура работы | 50К, подгонянное доступное |
| Электропитание | АК220В |
| Путь выхода | Датчик водит 20м, штепсельные вилки стандарта аппаратуры |
| Установка | держатель стены аппаратуры, установка М49кс1.5 зерна датчика, или струбцина дальше |
| Защита | ИП66 (датчик) |
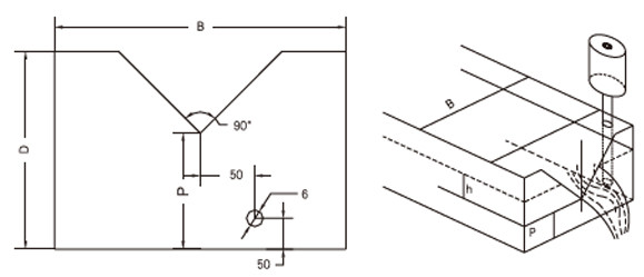
Размеры

Особенности
Датчики


Ультразвуковой датчик статического давления датчика
Применения
Измерение подачи воды в еффлуэнт, сточные воды, реки, каналы, стоки, нечистоты, етк.
Параметры Тотализер подачи
Ряд подачи измеряя: Зависит от размера флуме.
Максимальный отсчет: 9999999999
Типы соответствующих плотин: Триангулярная плотина, прямоугольная плотина, флуме Паршалл, етк.
Точность дисплея: 1 отсчет. Общая точность зависит от входного сигнала. Различные плотины/
флумес имеют различную точность. Триангулярная плотина имеет ошибку подачи 1 до 2%, прямоугольную плотину
имеет точность 1 до 4%, флуме Паршалл имеет ошибку подачи 3%, етк.
Дисплей: 2,8 дюйма ЛКД. Дисплеи высота, скорость течения, полная подача, етк.
Выход
Выведенное наружу напряжение тока: ДК 12В или 24В
Выведенный наружу сигнал: РС485/РС232; 4~20мА; реле 2 каналов
Ринвы

Плотины треугольника

Образец установки

Преимущество
Производственная мощность ультразвуковой датчик 20000 ультразвуковой конвертер и 100 000.