Автоматический тип пресса камеры фильтра в размере 920мм плиты обработки сточных водов еды & напитка
Пресса камерного фильтра (также известная как пресса фильтр плиты и рамки), которая имеет много преимуществ. В частности, одно это для такой большой части машинного оборудования оно имеет немногие части к нему. Различные части к прессе фильтра включают стальной скелет, плиты, гидронасос и цилиндр, трубопровод который включает трубу коллектора и серединного питания, и одежду фильтра. Простота середин прессы фильтра там меньшее поддержание в исправном состоянии которое необходимо быть сделанным к прессе. Плитам прессы скелета и фильтра прессы фильтра нужны зеро ремонты и покуда пресса будет управляться как следует они будут продолжать продолжительность жизни.
Описание
Пресса фильтра плиты состоит из набора вертикали, сопоставлянных утопленных плит, пресс друг против друга гидравлическими джакс
на одном конце набора. Давление приложенное к напуску фланца каждой фильтруя плиты должно выдержать камеру внутреннюю
давление развитое насосной системой шуги.
Этот план плиты вертикали формирует ватертигхт камеры фильтрации позволяющ легкой механизации для разрядки тортов.
Члотес фильтра точно или плотно зацепленный приложены к 2 гроовед поверхностям в этих плитах. Отверстия кормят шугу к
бефильтеред под давлением в камере фильтрации. Они обычно помещены в центре плит позволяющ свойственному
распределение дренажа прессуреанд права подачи лучшего шуги внутри камера. Твердая шуга постепенно аккумулирует внутри
камера фильтрации до тех пор пока торт компактированный выпускными экзаменами не будет сформирован. Фильтрат собран на задней части фильтрации
поддержка и снесенный прочь внутренними трубопроводами.
Цикл фильтрации
Пресса фильтра прерывистый деватеринг процесс. Каждая деятельность прессы включает следующие шаги:
Закрывать прессы: по мере того как фильтр совершенно пуст, мовинг голова активировала калмпс джакс плиты.
Заключительное давление собственная личность отрегулированная через фильтрацию
Заполнять: Во время этой короткой камеры участка заполните с шугой для фильтрации. Заполняя время зависит от подачи
насос подпитки. Для шуги имея хороший фильтерабилиты самое лучшее заполнить фильтр очень быстро для избежания образования
торта в первой камере прежде чем последние одни будут заполнены.
Фильтрация: Как только камера была заполнена непрерывное прибытие шуги, который нужно деватеред провоцирует подъем внутри
надавите должное к образованию все больше и больше толстого слоя шуги фильтра на одежде. Этот участок фильтрации может
остановите вручную, таймером или более конвениентелы индикатором подачи фильтрата который выдает сигнал тревоги стопа когда
конец тарифа фильтрации достигался. Когда насос фильтрации останавливал, фильтрат обходит вокруг и централь
трубопровод, который все еще заполнен с жидкостной шугой, продут обжатым воздухом.
Отверстие фильтра: Мовинг голова нарисована назад для того чтобы отключить первую камеру фильтрации. Падения торта имеют результат
его собственного веса. Пуллес механизированные системы вне плиты по-одному. Скорость разъединения плиты может быть
отрегулированный к кчету к текстуре торта.
Мыть: Вхасинг одежд должно быть унесено каждым 15-30 обрабатывая опратионс. Для средне или больших блоков это
случитесь на прессе используя спрейеры воды на очень высоком давлении (баре 80-100). Вхасинг синкронизед с разъединением
плит.
График течения сжимать прессу фильтруя и моя - тип свободного течения

График течения фильтровать, мыть и задавливать график течения - под настоящим типом подачи

Емкость фильтрации
Производственная мощность прессы фильтра где-то между 1,5 и 10 кг твердого тела в м2 фильтруя поверхности. Для
каждый модель прессы фильтра том камеры и фильтруя поверхность зависит от числа плит в филер.
В практическом плане отжимающ времена после этого 4 часа.
Время фильтрации зависит дальше:
Одно из преимуществ прессы филер что оно может принять шугу с средним фильтерабилиты. Всегда выгодно к
оптимально сгустите шугу перед деятельностью прессы фильтра. Хотя шуга представляя высокий фильтерабилиты включает лучшую продукцию
емкости, пресса фильтра все еще принимают шугу с низкой подготовляя точностью. Этот допуск значит что прибор предлагает
безопасность большего овералл рабочая.
Технические спецификации
| Модель |
Фильтр зона (㎡) |
Том фильтра камера |
Толщина плиты /frame |
Давление в фильтре камера |
Работа температура ℃ |
Но. фильтровальная пластинка рамка |
Мотор сила |
Размеры (мм) |
ГВ (кг) |
| СЗГ10/800 | 10 | 150 | 65/60/30 | <0.8 | <70 | 5/4 | 4,75 | 2720кс1240кс1200 | 2450 |
| СЗГ10/800 | 20 | 300 | 65/60/30 | <0.8 | <70 | 10/9 | 4,75 | 3355кс1240кс1200 | 2800 |
| СЗГ10/800 | 30 | 450 | 65/60/30 | <0.8 | <70 | 15/14 | 4,75 | 3990кс1240кс1200 | 3200 |
| СЗГ10/800 | 40 | 600 | 65/60/30 | <0.8 | <70 | 20/19 | 4,75 | 4625кс1240кс1200 | 3600 |
| СЗГ10/800 | 50 | 750 | 65/60/30 | <0.8 | <70 | 25/24 | 4,75 | 5260кс1240кс1200 | 4120 |
| СЗГ10/800 | 60 | 900 | 65/60/30 | <0.8 | <70 | 30/29 | 4,75 | 5895кс1240кс1200 | 4600 |
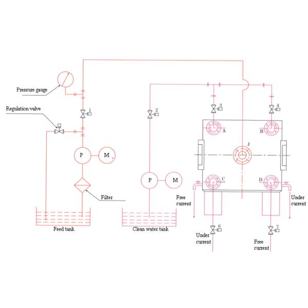
Линия дзяграфм трубы

Представление
Пресса фильтра соответствующая для почти всех типов шуги:
Гидрофильная органическая шуга: порекомендованы, что включает неорганический подготовлять часто удовлетворительный отпуск торта должный к минимальному
адеренсе к ткани фильтра.
Гидрофильная неорганическая шуга: пресса филер вообще требует добавления известки только.
Гидродобная неорганическая шуга: очень плотно и идеально для прессы фильтра. Оно деватеред без вс предварительные подготовлять.
Маслообразная шуга: прессу фильтра можно использовать для того чтобы обработать шугу содержа светлые масла, присутсвие тавота может иногда повреждать
плавный ход фильтра; одежды должны быть обсалены часто.
Аксессуары


Конкурентное преимущество
Качество - быстрая фильтрация, сильно автоматизированное, стабилизированное представление, легкая деятельность и оборудованная высокая температура, высокое давление, анти--корозия, надежно герметизируя фильтровальные пластинки. Мы строго исполняем систему проверки качества ИСО9001, стремясь предложить нашему клиенту продукты с передовой технологией и самым лучшим качеством для того чтобы достигнуть самой лучшей фильтрации.
Обслуживание мы всегда имеем веру что клиент самые высокие. Перед распродавать продукты, мы предлагая совет технологии, дизайн решения и даем наведение на установку и поручать. Мы всегда следовать используя состоянием нашей машины, стремясь предложить всестороннее наградное обслуживание.
Технология мы постоянн принимаем передовую технологию для прессы фильтра для того чтобы сделать продукты примениться с самыми новаторскими наукой & технологией. Мы также можем сделать конструированные таможней прессу, фильтровальные пластинки и аксессуары фильтра. Для того чтобы соотвествовать рыночному спросу, мы принесли романные & ведущие прессы фильтра технологии вместе с немецкими дизайнерами.