Спеченная носка Lube собственной личности ISO 9448-6 бронзовой буксы покрывает везти на автобусе/сползая сплав спеченный плитами
1. мы можем обеспечить широко спеченные материальные детали.
2. Спеченные плиты носки.
3. Спеченная стальная втулка проводника.
4. Стальная втулка проводника с ECO.
5. Тип v спек сползать части.
Стальные возглавленные кусты проводника, паз масла соответствующий для обводного штифта для штемпелевать, который нужно умереть прессформы.
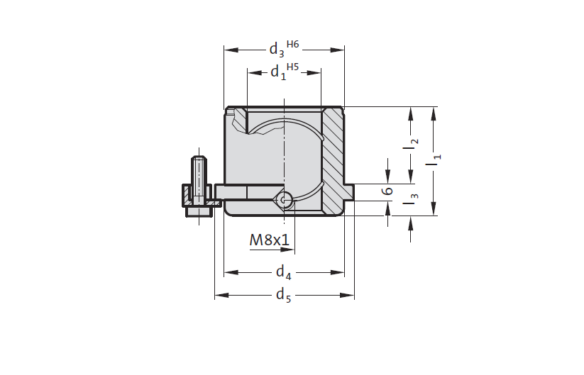
Серия INW спекла бронзовые буксы установила новый стандарт проведения для штемпелевать, который нужно умереть втулки проводника. Слой бронзы спечен к внутреннему диаметру стальной втулки, создавая механическое скрепление на бронзовом/стальном интерфейсе более сильном чем эта из традиционных покрытых втулок. DANLY спекло бронзовые буксы не страдает от слезать как для того чтобы сделать покрытые втулки.
Потому что спеченная бронзовая поверхность пориста, она держит масло смазки на месте, поддерживающ целостность пограничного слоя смазки и обеспечивающ улучшенное сопротивление носки.
Введенный диаметр был затвердет для того чтобы сопротивляться носке и случайному повреждению, и он будет поддерживать свою правильную геометрию в течении многочисленных вводов и демонтирует. Ange fl быть осторожным земной перпендикуляр к оси внутреннего диаметра; если земное ange fl как следует усажено, то скважина втулки автоматически истинна к поверхности установки плиты.
| Код нет. | d1 H5 | d3H6 | d4 | d5 | d6 | d7 | l1 | l2 | l3 |
| INW-019 | 19 | 32 | 32 | 40 | 52 | 64,7 | 35 | 23 | 12 |
| INW-020 | 20 | 32 | 32 | 40 | 52 | 64,7 | 35 | 23 | 12 |
| INW-024 | 24 | 40 | 40 | 48 | 60 | 72,7 | 42 | 30 | 12 |
| INW-025 | 25 | 40 | 40 | 48 | 60 | 72,7 | 42 | 30 | 12 |
| INW-030 | 30 | 48 | 48 | 56 | 67 | 79,7 | 52 | 37 | 12 |
| INW-032 | 32 | 48 | 48 | 56 | 67 | 79,7 | 52 | 37 | 12 |
| INW-038 | 38 | 58 | 58 | 66 | 77 | 89,7 | 65 | 47 | 15 |
| INW-040 | 40 | 58 | 58 | 66 | 77 | 89,7 | 65 | 47 | 15 |
| INW-048 | 48 | 70 | 70 | 80 | 91 | 103,7 | 80 | 60 | 18 |
| INW-050 | 50 | 70 | 70 | 80 | 91 | 103,7 | 80 | 60 | 18 |
| INW-060 | 60 | 85 | 85 | 95 | 106 | 118,7 | 80 | 60 | 20 |
| INW-063 | 63 | 85 | 85 | 95 | 106 | 118,7 | 80 | 60 | 20 |
| INW-080 | 80 | 105 | 105 | 118 | 129 | 141 | 80 | 60 | 20 |
