Собственная личность смазывая твердость HRC58 кулачка втулки материальные INW 2960,90 перелитую через край стальную
Характеристики продукта A. части
Эти носят плиты можно использовать без смазки. Смазывая систему можно совершенно отменить, время сборки можно уменьшить, загрязнение нефтью можно исключить, окружающая среда может быть поддерживаемые чистыми и цены можно уменьшить.
Оно может сохранить масл-кладя оборудование и в то же время его также для того чтобы конструировать solidlubricant-инкрустированную втулку в виды alt форм для того чтобы отвечать различные потребностямы в особенных местах.
Используя solidlubricant.inlaid втулка может уменьшить цены починка машинного оборудования и масла в широком диапазоне.
Часть B. Продукт Деятельность
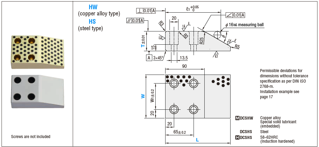
| θ | ℓ1 | W1 | Медь кода VDI | Сталь кода VDI | Каталог нет. | L | T | |
| Тип | W | |||||||
| 20 | 143,37 | 60 | VDI3357-H-801 | VDI3357-H-841 | HW | 100 | 170 | 45 |
| 85 | VDI3357-H-802 | VDI3357-H-842 | 125 | |||||
| 110 | VDI3357-H-803 | VDI3357-H-843 | 150 | |||||
| 160 | VDI3357-H-804 | VDI3357-H-844 | 200 | |||||
| 30 | 127,86 | 60 | VDI3357-H-811 | VDI3357-H-851 | 100 | 150 | 45 | |
| 60 | VDI3357-H-812 | VDI3357-H-852 | 100 | 170 | 60 | |||
| 85 | VDI3357-H-813 | VDI3357-H-853 | 125 | 150 | 45 | |||
| 85 | VDI3357-H-814 | VDI3357-H-854 | 125 | 170 | 60 | |||
| 110 | VDI3357-H-815 | VDI3357-H-855 | 150 | 150 | 45 | |||
| 110 | VDI3357-H-816 | VDI3357-H-856 | 150 | 170 | 60 | |||
| 160 | VDI3357-H-817 | VDI3357-H-857 | 200 | 150 | 45 | |||
| 160 | VDI3357-H-818 | VDI3357-H-858 | 200 | 170 | 60 | |||
