Кольцо выскальзывания легкого Через-отверстия 100A установки ориентированного на заказчика сильнотоковое
Описание изготовленного на заказ кольца выскальзывания 2M09904100
Гальванизировать SenRing/кольцо выскальзывания оборудования электролиза преданное сильнотоковое, включают 50A, 100A, 250A, 500A, 1500A, 3000A и другие спецификации, различные настоящие спецификации применимы к разнообразие различным размерам и силе покрывая оборудование, с легкой подачей установки, легковеса и большой нагрузки. Соответствующий для покрывать (плакировка золота, серебряная плакировка, гальваническое омеднение, плакировка никеля, плакировка палладиума, плакировка олов-руководства), электролиза, заварки и других индустрий.
Особенности изготовленного на заказ кольца выскальзывания 2M09904100
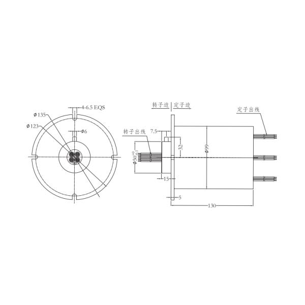
1. Статор с фиксированным фланцом;
2. Поддерживает 4 прохода, с максимальным течением 100A в проход;
3. Принимает раковину алюминиевого сплава, с интегрированной структурой, делая установку очень удобный.
| Модель | Цепи | Максимальное течение | Максимальная скорость | работая temp. | |
| 2M09904100 | цепь 4 | 100A | 250RPM | -40℃~+80℃ |
Описание номера детали


Прикладные проекты
Видео- демонстрация принципа деятельности сильнотокового кольца выскальзывания (кольца выскальзывания энергии ветра) в SenRing-1205. Применение сильнотокового кольца выскальзывания SNF-0310 в ветротурбинах домочадца куба ветра небольших.
вопросы и ответы:
1. Чего мы делаем?
Мы фокусируем на превращаться, sliprings конструировать, изготовлять высококачественные, и предлагаем различные решения для вращая систем.
2. Как я выбираю кольцо выскальзывания?
Свойственный выбор решения кольца выскальзывания требует деталей о параметрах вашего применения работая включая полные цепи, напряжение тока и amps в цепь, скорость обработки, и тип установки. Прекрасное место для начала вашего поиска с нашими стандартными кольцами выскальзывания. Если вы уверены, то что изготовленному на заказ/доработанному решению наиболее вероятно необходимо или нужна помощь в вашем выборе, свяжитесь мы для того чтобы получить начатым.
3. Вы предлагаете изготовленные на заказ кольца выскальзывания?
Да, если вы уверены, то что изготовленному на заказ/доработанному решению наиболее вероятно необходимо или нужна помощь в вашем выборе, свяжитесь мы для того чтобы получить начатый. Наши инженеры придут вверх с идеальным решением для ваших потребностей.