Локальные сети гигабита одиночного канала смещают кольцо выскальзывания отверстия 12.7mm кольца вращая
Описание кольца выскальзывания локальных сетей EH1256-01
До отверстие кольцо выскальзывания также вызвало неубедительное кольцо выскальзывания с отверстием центра, оно смогло быть приложено ко всем приборам где требует для того чтобы передать силу и сигналы когда потребность 360° roating.
Локальные сети гигабита серии Senring EH1256-01 смещают кольцо кольцо выскальзывания объединенной точности проводное которое может повернуть 360 градусов для того чтобы передать одиночный канал сигнала локальных сетей гигабита. Кольцо выскальзывания имеет диаметр отверстия 12.7mm и наружный диаметр 56mm. Оно может смешать передает 1-22 каналов течения 2-20A и смешивания с другими сигналами как USB и HDMI. Сравненный к подобным продуктам на рынке, оно имеет преимущества стабилизированной передачи, никакой потери пакета, никакой ошибки кода, низкой возвращенной потери, и низкой вносимой потери.
Особенности кольца выскальзывания локальных сетей EH1256-01
1. С соединителями RJ45 (кольцо выскальзывания локальных сетей также известное как кольцо выскальзывания RJ45)
2. Стандартное соединение проводов локальных сетей
3. Максимальные локальные сети 8channels в одном кольце выскальзывания
4. Смогите совместить с силой или пневматическим/гидравлическим кольцом выскальзывания
5. Локальные сети Tansmit 10M/100M/1000M низкопробные t
6. Отсутствие потери пакета, отсутствие кода строки, низкой возвращенной потери, низкой вносимой потери
7. Материалы контакта: percious плакировка metal+gold которая обеспечивает ссадину устойчивую и противоокислительн на длинный срок пригодности
Описание номера детали

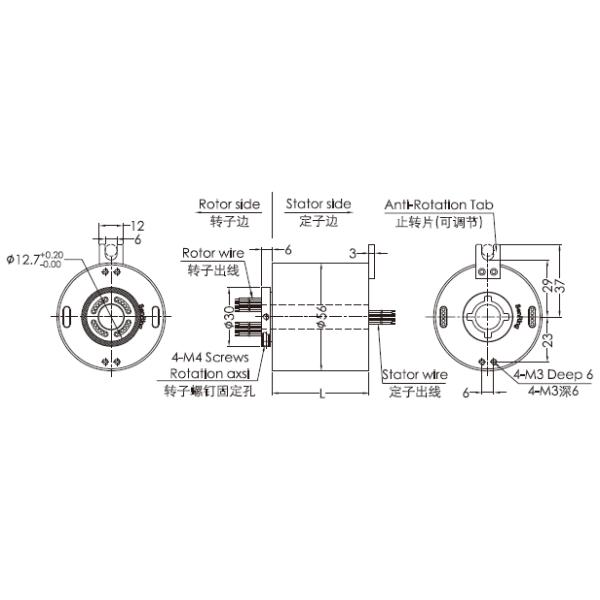
Чертеж кольца выскальзывания локальных сетей EH1256-01

Технические данные кольца выскальзывания локальных сетей EH1256-01
| Локальные сети | 1 baseT каналов 100M/1000M |
| Механические данные | |
| спецификации | данные |
| срок пригодности | см. таблица ранга кольца выскальзывания |
| Вращая скорость | см. таблица ранга кольца выскальзывания |
| работая temp | -30℃∼80℃ |
| влажность работы | RH 0∼85% |
| материал контакта | см. таблица ранга кольца выскальзывания |
| расквартировывать материал | алюминиевый сплав |
| вращающий момент | 0.1N.m; цепи +0.03N.m/6 |
| соединители | RJ45 | |
| Электрические данные | ||
| спецификации | данные | |
| сила | сигнал | |
| ряд напряжения тока | 0∼440VAC/VDC | 0∼440VAC/VDC |
| сопротивление изоляции | ≥1000MΩ/500VDC | ≥1000MΩ/500VDC |
| спецификации подводящего провода | AWG17# Серебр-покрыло провод тефлона | AWG22# Серебр-покрыло провод тефлона |
| длина подводящего провода | стандарт 300mm (смогите быть подгоняно) | |
| Диэлектрическая прочность | 500VAC@50Hz, 60s | |
| Электрический шум | < 0.01Ω | |
| Электрический шум | <10 Ω | |
| Сертификат CE | да | |
| Механическая вибрация | MIL-STD-810E | |
| Материал | RoHS уступчивое | |
Список типовой модели
| Модель | цепи силы/сигнала нет. | Каналы локальных сетей нет. | длина l (mm) | ||
| сигнал (0∼2A) | сила (10A) | сила (20A) | |||
| EH1256-01-0210 | 0 | 2 | 0 | 1 | 55 |
| EH1256-01-04S | 4 | 0 | 0 | 4 | 55 |
| EH1256-01-0410 | 0 | 4 | 0 | 1 | 55 |
| EH1256-01-0420 | 0 | 0 | 4 | 1 | 71,5 |
| EH1256-01-10S | 10 | 0 | 0 | 1 | 71,5 |
| EH1256-01-0210-08S | 8 | 2 | 0 | 1 | 71,5 |
| EH1256-01-0610-04S | 4 | 6 | 0 | 1 | 71,5 |
| EH1256-01-16S | 16 | 0 | 0 | 1 | 88,5 |
| EH1256-01-1610 | 0 | 16 | 0 | 1 | 88,5 |
| EH1256-01-0410-12S | 12 | 4 | 0 | 1 | 88,5 |
| EH1256-01-0810-08S | 8 | 8 | 0 | 1 | 88,5 |
| EH1256-01-22S | 22 | 0 | 0 | 1 | 105,5 |
Локальные сети EH1256-01 смещают таблица ранга кольца
| Код ранга | Максимальная вращая скорость | Срок пригодности | Материал контакта |
| C (стандарт) | 250RPM | революции 20 миллионов | драгоценный металл |
| D (Industrical) | 600RPM | революции 80 миллионов | золото-золото |
Модели кольца выскальзывания SenRing общие приложены в много применений и оборудования, обеспечивают решения системы для всемирно.
Оно включает энергию ветра, регулятор, и промышленный turntable, робот, машинное оборудование инженерства, видео mornitoring, медицинское оборудование CCTV, военный радиолокатор и так далее…