DPS серии QYD
Регулируемые переключатели перепада давления для кондиционирования воздуха
Переключатель перепада давления серии QYD конструирован для того чтобы доказать подачу через насосы.
Его можно использовать в fluorinated хладоагенте, также в воздухе и жидкости (- 20 к 120°C).
Восстановленный микропереключатель SPDT обеспечить надежную функцию переключателя и гибкие костюмы кронштейна различные виды применения.
| Модель | Дифференциальный (Адвокатура) | Установка фабрики | Максимальная деятельность давление |
|
| Минута | Макс | |||
| QYD2C | 0,5 | 2 | 0,5 | 12 |
| QYD4C | 0,5 | 3,5 | 1 | 12 |
| QYD4CH | 0,5 | 3,5 | 1 | 30 |
| QYD6CH | 1 | 6 | 6 | 30 |
| QYD4C/B | 0,3 | 4 | 0,3 | 17 |

|
Расклассифицированные Amps (a) Расклассифицированное напряжение тока (v) |
125V A.C |
250V A.C |
|
| Неиндуктивное течение | 20A | 10A | |
| Индуктивный Настоящий |
Максимальная допускаемая нагрузка | 15A | 8A |
| Запертый Roter | 72A | ||

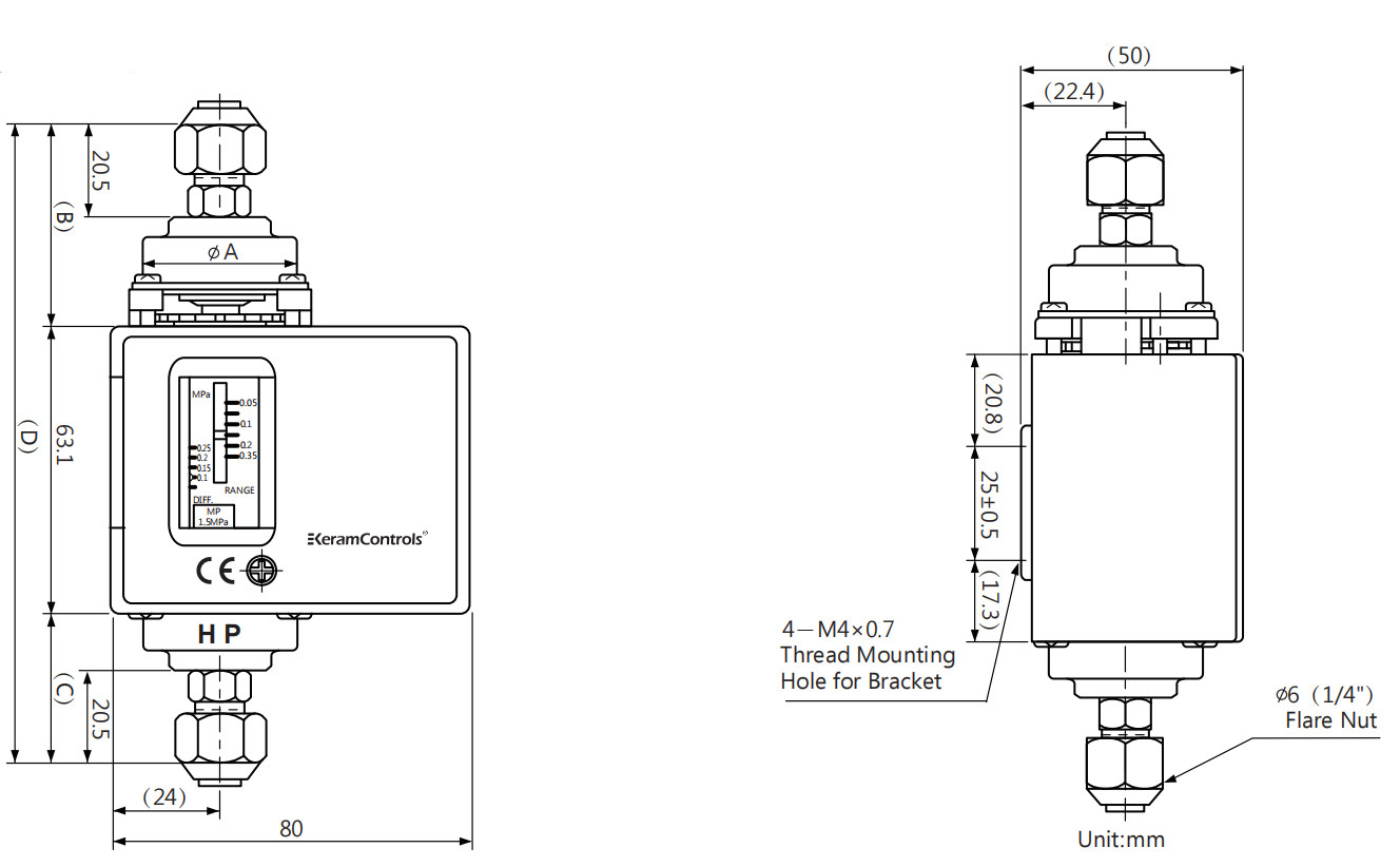
| 1 | Общий терминал |
| 2 | Закройте на росте давления |
| 3 | Закройте на уменшении давления |
l работая направление на росте прессы на высокой прессе. Сторона


Инструкция по эксплуатации
1. Новую наружную крышку, 2 пальца сжимает обе стороны пластиковой крышки, раскрывает наружную крышку можно нагнести вне;
2. Быть установленным в трубу, использовать 2 ключи и извива туго;
3. Не установите регулятор над электрической оценкой прибора.

1 q: Что срок поставки?
: Согласно спецификации и количеству вашего заказа, вообще 4
дни для нормальных стандартных продуктов в пределах 10pcs.
2 q: Вы изготовитель или торговая компания?
: Мы изготовитель с много лет опыта. Мы имеем наше
собственная фабрика. Добро пожаловать для посещения нашей фабрики.
3 q: Можем мы использовать наш логотип на продуктах?
: Yes.We может обеспечить обслуживание OEM.
4 q: Вы имеете продукты с бывший-защитным сертификатом?
: Да, мы можем предложить внутреннеприсущ-безопасность и сертификаты доказательства пламени.
5 q: Что гарантия ваших продуктов?
: Нормальный 12 месяца.
6 q: Что середины перехода?
: Выразите как TNT, Federal Express, DHL, UPS, или снабжение индикатором.