Центрифуга диска дрожжей разрядки сопла чистки собственной личности центробежная для концентрации жидкости закваски
Отростчатый обзор
Этот разделитель диска дрожжей для концентрации жидкости e.g.yeast закваски, модель также использован для того чтобы сконцентрировать подобный материал
Машина имеет преимущество высокой эффективности, низкого материального потребления, удобной деятельности и экономических главных расходов на техническое обслуживание
Ясная жидкость нагнетена вне центростремительным насосом, жидкость концентрации discharged постоянно соплами.
Машина один вид роторной машины с быстрым ходом, после точного динамического уравновешивания, оно может побежать на долгое время с низкой безопасностью вибрации.
Технический параметр
| discharging тип | Сопло постоянно discharging | |
| расклассифицированная емкость | L/H | 8000-10000 |
| Давление выхода ясной жидкости | Mpa | 0.05-0.2 |
| Диаметр XNumber сопла | ¢1.0, ¢1.1, ¢1.2, ¢1.3mmX12 | |
| N.W. | kg | 1161 |
| Сила g | 10300 | |
| Сила мотора | kw | 22 (380V/50HZ/3P) |
| Размер | LXWXH | 1366mmx1403mmx1434mm |
Диапозон применения
Оно имеет черты как высокая вращая скорость, работая стабильность, совершенно загерметизированная вверх системы входа и выхода, малошумного и отлично отделять привязанность. Центростремительная насосная система конструированная нашим профессиональным дизайнером имеет следы как давление выхода стабильности, большая регулируя сфера и работать легко, также этот разделитель серии имеет профессиональный автоматический случай доминирования с прибором предохранения от безопасности, предварительная автоматическая вибрируя испытывая аппаратура может осмотреть вибрируя номер в любое время, мы можем сделать отделять и discharging к самой лучшей привязанности от отрегулируйте отделять параметр сразу на экране.
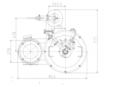
Чертеж


Больше изображений



Сертификат

Гарантия
Центрифуга пиона была предназначена к произведению машинного оборудования и типов оборудования и уносить конструкцию объекта, следовать самое лучшее качество и производить самый лучший продукт в то же время.
Мы совершены к награждать вас с лучшим качеством взамен наши интерес в и веру.
Мы сделаем наш предел для одного более шагая вперед, основанный на наших бесконечных обслуживаниях и доверии в клиентах.

Наше обслуживание
1. 12 месяца гарантийного периода от даты машины приезжая.
2. обильные запасные части в запасе имеют в распоряжении обеспечить.
3. Наши техники смогли быть посланы для международного обслуживания.
4. консультация часов 7*24 техническая.
5. Ваши работники смогли получить натренированными как в нашей фабрике, так и в твоем.
6. режим следуя до работы машины как следует будет сделанные своевременными.
7. Мы напомним, что вы сделали нормальное обслуживание.
8. Ваши предложения или любые замечания & отражение были бы обработаны как приоритет.
9. выходя на рынок команда навестинет вы во время нашего посещения к вашей стране если вы требуете.
Свяжитесь мы
CO. машинного оборудования пиона города Zhangjiagang, Ltd
Добавьте: Зона Leyu превращаясь, город Zhangjiagang, Цзянсу Pro, Китай.
Сеть: www.peonyfns.com, www.peonycentrifuge.com, www.separator-centrifuge.com
Электронная почта: sale@peonyfns.com
Чернь: 0086 19951199985 (WhatsApp/Wechat)
Anita Yuen
Бирка: центрифуга диска дрожжей, центрифуга сопла