Носить концов прута женщины и внешней нарезки POS PHS
Описание носить концов прута женщины и внешней нарезки POS PHS:
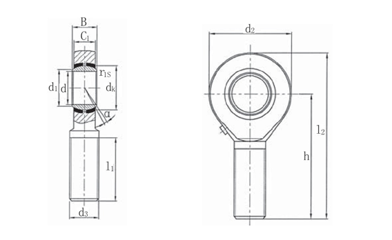
Носить конца прута состоит из в форме глаз головы с объединенным хвостовиком формируя снабжение жилищем и стандартный сферически простой подшипник, или сферически простого нося внутреннего кольца, или кольца сферически равнины нося внутреннего и сползая слоя между скважиной головы и внутренним кольцом. Как правило, концы прута доступны с выведенными или правыми женщиной или внешними нарезками. Концы прута имеют сползая комбинации стал-на-сталь контактирующей поверхности, стал-на-бронзу, стал-на-PTFE композиционном материале, стал-на-PTFE ткани и стал-на-PTFE пластмассе.
Конец прута сферически подшипник скольжения включая сферически внутреннее кольцо с точностью и твердость соответствующую к этому из стальных шарикоподшипников. Он обеспечивает очень ровный вращать и осциллируя движение без игры.
Применение носить концов прута женщины и внешней нарезки POS PHS:
Носить концов прута широко использован в автомобилях, компрессорах, конструкции, электрических двигателях, пищевой промышленности, бытовых техниках etc. как свертывая элемент, ем поворачивает мир.

| Название продукта |
SFT Номер |
Размеры mm | Оценки KN нагрузки | Вес ≈kg |
|||||||||||||
| d | d3 | B | C1 максимальный |
l1 максимальный |
d2 максимальный |
h | l2 максимальный |
dk | R1s минута |
d1 | α° ≈ |
C | Co | ||||
| Подшипник конца прута | POS5 | 5 | M5 | 8 | 6 | 20 | 18 | 33 | 42 | 11,11 | 0,3 | 7,7 | 13 | 3,25 | 5,7 | 0,013 | |
| Подшипник конца прута | POS6 | 6 | M6 | 9 | 6,75 | 23 | 20 | 36 | 46 | 12,7 | 0,3 | 8,9 | 13 | 4,3 | 72 | 0,02 | |
| Подшипник конца прута | POS8 | 8 | M8 | 12 | 9 | 25 | 24 | 42 | 54 | 15,875 | 0,3 | 10,3 | 14 | 7,2 | 11,6 | 0,03 | |
| Подшипник конца прута | POS10 | 10 | M10 | 14 | 10,5 | 30 | 26 | 48 | 61 | 19,05 | 0,3 | 12,9 | 13 | 10 | 14,5 | 0,055 | |
| Подшипник конца прута | POS12 | 12 | M12 | 16 | 12 | 34 | 30 | 54 | 69 | 22,225 | 0,3 | 15,4 | 13 | 13,4 | 17 | 0,085 | |
| Подшипник конца прута | POS14 | 14 | M14 | 19 | 13,5 | 37 | 34 | 60 | 77 | 25,4 | 0,3 | 16,8 | 16 | 17 | 24 | 0,14 | |
| Подшипник конца прута | POS16 | 16 | M16 | 21 | 15 | 41 | 40 | 66 | 86 | 28,575 | 0,3 | 19,3 | 15 | 21,6 | 28,5 | 0,21 | |
| Подшипник конца прута | POS18 | 18 | M18X1.5 | 23 | 16,5 | 45 | 44 | 72 | 94 | 31,75 | 0,3 | 21,8 | 15 | 26 | 42,5 | 0,28 | |
| Подшипник конца прута | POS20 | 20 | M20X1.5 | 25 | 18 | 48 | 48 | 78 | 102 | 34,925 | 0,3 | 24,3 | 14 | 31,5 | 52,5 | 0,38 | |
| Подшипник конца прута | POS22 | 22 | M22X1.5 | 28 | 20 | 52 | 54 | 84 | 111 | 38,1 | 0,3 | 25,8 | 15 | 38 | 57 | 0,48 | |
| Подшипник конца прута | POS25 | 25 | M24X2 | 31 | 22 | 58 | 60 | 94 | 124 | 42,85 | 0,3 | 29,5 | 15 | 47,5 | 68 | 0,64 | |
| Подшипник конца прута | POS28 | 28 | M27X2 | 35 | 24 | 63 | 66 | 103 | 136 | 47,6 | 0,3 | 33,7 | 15 | 58 | 75,5 | 0,96 | |
| Подшипник конца прута | POS30 | 30 | M30X2 | 37 | 25 | 67 | 70 | 110 | 145 | 50,8 | 0,3 | 34,8 | 17 | 64 | 88 | 1,1 | |

| Название продукта |
SFT Номер |
Размеры mm | Оценки KN нагрузки | Вес ≈kg |
|||||||||||||||
| d | d3 | B | C1 максимальный |
W | l3 минута |
d2 максимальный |
l4 максимальный |
h1 | l5 максимальный |
d4 максимальный |
d5 максимальный |
dk | α° ≈ |
C | Co | ||||
| Подшипник конца прута | PHS5 | 5 | M5 | 8 | 6 | 9 | 14 | 18 | 36 | 27 | 4 | 8,5 | 11 | 11,11 | 13 | 3,25 | 5,7 | 0,016 | |
| Подшипник конца прута | PHS6 | 6 | M6 | 9 | 6,75 | 11 | 14 | 20 | 40 | 30 | 5 | 10 | 13 | 12,7 | 13 | 4,3 | 7,2 | 0,022 | |
| Подшипник конца прута | PHS8 | 8 | M8 | 12 | 9 | 14 | 17 | 24 | 48 | 36 | 5 | 12,5 | 16 | 15,875 | 14 | 7,2 | 11,6 | 0,047 | |
| Подшипник конца прута | PHS10 | 10 | M10 | 14 | 10,5 | 17 | 21 | 26 | 56 | 43 | 6,5 | 15 | 19 | 19,05 | 13 | 10 | 14,5 | 0,077 | |
| Подшипник конца прута | PHS12 | 12 | M12 | 16 | 12 | 19 | 24 | 30 | 65 | 50 | 6,5 | 17,5 | 22 | 22,225 | 13 | 13,4 | 17 | 0,1 | |
| Подшипник конца прута | PHS14 | 14 | M14 | 19 | 13,5 | 22 | 27 | 34 | 74 | 57 | 8 | 20 | 26 | 25,4 | 16 | 17 | 24 | 0,16 | |
| Подшипник конца прута | PHS16 | 16 | M16 | 21 | 15 | 24 | 33 | 40 | 84 | 64 | 8 | 22 | 28 | 28,575 | 15 | 21,6 | 28,5 | 0,22 | |
| Подшипник конца прута | PHS18 | 18 | M18X1.5 | 23 | 16,5 | 27 | 36 | 44 | 93 | 71 | 10 | 25 | 31 | 31,75 | 15 | 26 | 42,5 | 0,32 | |
| Подшипник конца прута | PHS20 | 20 | M20X1.5 | 25 | 18 | 30 | 40 | 48 | 101 | 77 | 10 | 27,5 | 35 | 34,925 | 14 | 31,5 | 42,5 | 0,42 | |
| Подшипник конца прута | PHS22 | 22 | M22X1.5 | 28 | 20 | 32 | 43 | 54 | 111 | 84 | 12 | 30 | 38 | 38,1 | 15 | 38 | 57 | 0,54 | |
| Подшипник конца прута | PHS25 | 25 | M24X2 | 31 | 22 | 36 | 48 | 60 | 124 | 94 | 12 | 33,5 | 42 | 42,85 | 15 | 47,5 | 68 | 0,73 | |
| Подшипник конца прута | PHS28 | 28 | M27X2 | 35 | 24 | 41 | 53 | 66 | 136 | 103 | 14 | 37 | 46 | 47,6 | 15 | 58 | 75 | 0,98 | |
| Подшипник конца прута | PHS30 | 30 | M30X2 | 37 | 25 | 46 | 56 | 70 | 145 | 110 | 15 | 40 | 50 | 50,8 | 17 | 64 | 88 | 1,1 | |



Материал носить концов прута женщины и внешней нарезки POS PHS:
Конец прута стали и цинка покрытых, с мужским или гаечной резьбой, сферически поверхность с бронзовым вкладышем, внутренним кольцом стали хромия углерода, сферически поверхности с плакировкой хромия, можно смазать через ниппель или отверстие в конце прута. Он имеет характеристики возможности большой нагрузки, легкой установки и спешиваться и упрощения механизма.