Муфта пути CKA3585 одно нося для оборудования ткани
Введение серии CK-A один подшипник муфты пути:
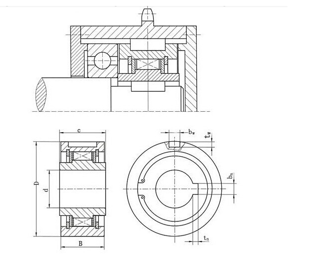
Тип CK-A тип подшашки freewheel поддержанный не-подшипник. Необходимы, что поддерживают подшипники осевое и радиальные нагрузки. Блоки поставленный смазанный тавот.
Стандартное расположение установить этот тип кроме подшипника с таким же расквартировывая допуском диаметра. Пользуются ключом внутренняя гонка и наружная гонка к валу и отверстию.
Листы параметра одной муфты подшашки пути нося носить машинного оборудования Papermaking CK-A4090 innersize 40mm
Спецификация муфты пути CKA3585 одно нося для оборудования ткани
| название продукта | Муфта пути CKA3585 CK-A3585 одного нося для оборудования ткани |
| носить номер | CKA3585 |
| размер | 35*85*30mm |
| вес | 0.70kg |
| материал | хромовая сталь |
| пакет | коробка цвета или как запрос клиентов |
| Обслуживание OEM | приемлемый |
| запас | 10000pcs |
| гарантия | 1 год |
| применение | оборудование ткани |
Листы параметра муфты пути CKA3585 одно нося для оборудования ткани:

|
Модель |
Номинальный |
Переливаться через край ограничиваться |
Размер [mm] |
Подшипник |
Вес |
||||||
|
Вращающий момент |
Скорость (r/min) |
Наружная гонка |
Внутренняя гонка |
||||||||
|
[N.m] |
Внутренний |
Наружный |
D [h7] |
B |
bwxtw |
d [h7] |
C |
bnxtn |
|
[kg] |
|
|
гонка |
гонка |
||||||||||
|
CK-A1542 |
54 |
1750 |
500 |
42 |
23 |
3x1.8 |
15 |
24 |
3x1.4 |
6302 |
0,17 |
|
CK-A1747 |
75 |
1575 |
400 |
47 |
23 |
3x1.8 |
17 |
24 |
3x1.4 |
6304 |
0,21 |
|
CK-A2052 |
95 |
1400 |
400 |
52 |
23 |
3x1.8 |
20 |
24 |
3x1.4 |
6305 |
0,25 |
|
CK-A2562 |
145 |
1260 |
350 |
62 |
23 |
4x2.5 |
25 |
24 |
4x1.8 |
6306 |
0,35 |
|
CK-A3072 |
208 |
1050 |
300 |
72 |
23 |
5x3.0 |
30 |
24 |
5x2.3 |
6307 |
0,47 |
|
CK-A3580 |
340 |
815 |
200 |
80 |
28 |
8x4.0 |
35 |
30 |
6x2.8 |
6308 |
0,69 |
|
CK-A4090 |
462 |
700 |
200 |
90 |
28 |
8x4.0 |
40 |
30 |
6x2.8 |
6309 |
0,87 |
|
CK-A45100 |
783 |
560 |
200 |
100 |
28 |
8x4.0 |
45 |
30 |
6x2.8 |
6310 |
1,07 |
|
CK-A50110 |
850 |
525 |
180 |
110 |
28 |
10x5.0 |
50 |
30 |
8x3.3 |
6311 |
1,59 |
|
CK-A60130 |
1050 |
490 |
180 |
130 |
34 |
10x5.0 |
60 |
36 |
8x3.3 |
6312 |
2,16 |
|
CK-A65140 |
1224 |
490 |
180 |
140 |
34 |
10x5.0 |
65 |
36 |
10x3.3 |
6313 |
2,49 |
|
CK-A70150 |
1850 |
455 |
150 |
150 |
40 |
10x5.0 |
70 |
42 |
10x3.3 |
6314 |
3,36 |
|
CK-A75160 |
2140 |
455 |
150 |
160 |
40 |
12x5.0 |
75 |
42 |
12x3.3 |
6315 |
3,81 |
|
CK-A80170 |
2450 |
420 |
150 |
170 |
40 |
12x5.0 |
80 |
42 |
12x3.3 |
6316 |
4,29 |
|
CK-A1250 |
31,5 |
1750 |
400 |
50 |
22 |
3x1.8 |
12 |
24 |
3x1.4 |
|
0,24 |
|
CK-A1855 |
50 |
1575 |
350 |
55 |
22 |
4x2.5 |
18 |
24 |
4x1.8 |
|
0,28 |
|
CK-A2060 |
63 |
1600 |
350 |
60 |
22 |
6x3.5 |
20 |
24 |
6x2.8 |
|
0,33 |
|
CK-A2563 |
100 |
1260 |
350 |
63 |
24 |
6x3.5 |
25 |
26 |
6x2.8 |
|
0,37 |
|
CK-A2563T |
140 |
1260 |
350 |
63 |
30 |
6x3.5 |
25 |
32 |
8x3.3 |
|
0,68 |
|
CK-A2870 |
180 |
1050 |
300 |
70 |
30 |
8x4.0 |
28 |
32 |
8x3.3 |
|
0,6 |
|
CK-A3080T |
340 |
875 |
200 |
80 |
30 |
8x4.0 |
30 |
32 |
8x3.3 |
|
0,75 |
|
CK-A3585 |
400 |
815 |
200 |
85 |
30 |
8x4.0 |
35 |
32 |
8x3.3 |
|
1 |
|
CK-A35100 |
780 |
875 |
200 |
100 |
32 |
10x5.0 |
35 |
34 |
10x3.3 |
|
1,34 |
|
CK-A35140 |
1000 |
490 |
180 |
140 |
35 |
8x4.0 |
35 |
35 |
10x3.5 |
|
3,28 |
|
CK-A40100 |
780 |
560 |
200 |
100 |
34 |
10x5.0 |
40 |
34 |
10x3.3 |
|
1,2 |
|
CK-A40110 |
850 |
700 |
180 |
110 |
32 |
10x5.0 |
40 |
34 |
10x3.3 |
|
1,19 |
|
CK-A50125 |
1000 |
490 |
180 |
125 |
36 |
14x5.5 |
50 |
35 |
14x3.8 |
|
2,21 |
|
CK-A50130 |
1050 |
560 |
180 |
130 |
36 |
14x5.5 |
50 |
38 |
14x3.8 |
|
3,02 |
|
CK-A55160 |
2000 |
455 |
150 |
160 |
52 |
16x6.0 |
55 |
55 |
16x4.3 |
|
6,96 |
|
CK-A58130 |
1050 |
490 |
180 |
130 |
36 |
14x5.5 |
58 |
38 |
14x3.8 |
|
2,6 |
|
CK-A60180 |
2000 |
420 |
140 |
180 |
52 |
18x6.0 |
60 |
52 |
18x4.4 |
|
7,4 |


