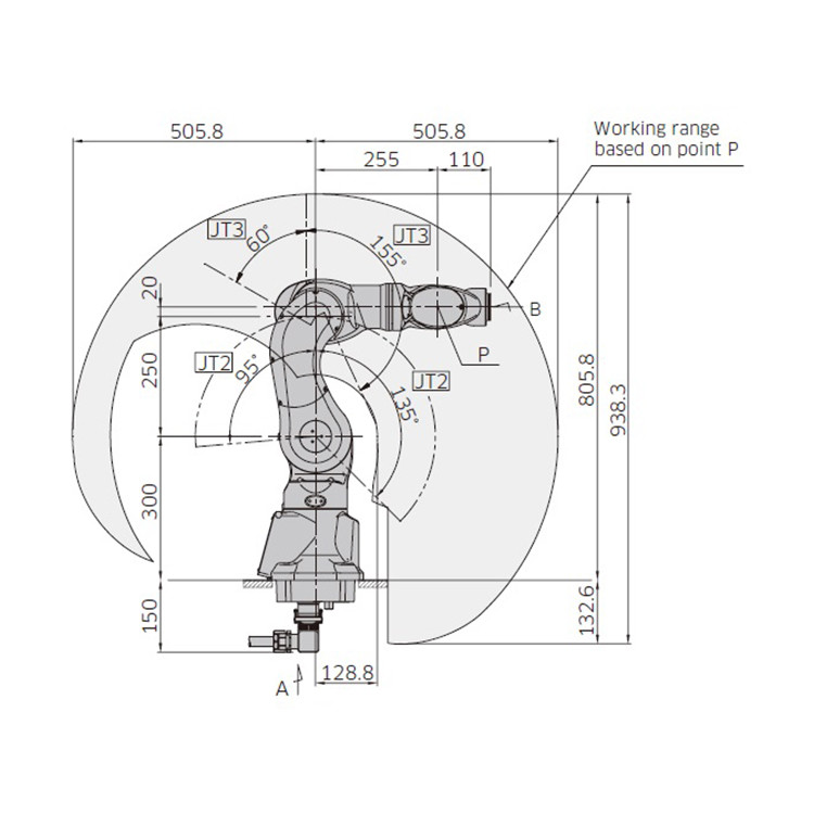
6 достигаемость 505.8mm полезной нагрузки 4kg робота руки MC004N робота оси чистая
для медицинского и фармацевтического pulator роботов для Кавасаки
Спецификация
| СПЕЦИФИКАЦИИ MC004N | |||
| Тип | Отчетливо произношенный робот | ||
|---|---|---|---|
| Степени свободы (оси) | 6 | ||
| Полезная нагрузка (kg) | 4 | ||
| Максимальн Достижение (mm) | 505,8 | ||
| Позиционноцикловая повторимость (mm) ✽1 | ±0.05 | ||
| Ряд движения (°) | Вращение руки (JT1) | ±180 | |
| Подготовьте Вне-в (JT2) | +135 - −95 | ||
| Рука Up-down (JT3) | +60 - −155 | ||
| Шарнирное соединение запястья (JT4) | ±270 | ||
| Загиб запястья (JT5) | ±120 | ||
| Извив запястья (JT6) | ±270 | ||
| Максимальн Скорость (°/s) | Вращение руки (JT1) | 200 | |
| Подготовьте Вне-в (JT2) | 180 | ||
| Рука Up-down (JT3) | 225 | ||
| Шарнирное соединение запястья (JT4) | 700 | ||
| Загиб запястья (JT5) | 500 | ||
| Извив запястья (JT6) | 350 | ||
| Позволяемый момент (n•m) | Шарнирное соединение запястья (JT4) | 8,5 | |
| Загиб запястья (JT5) | 8,5 | ||
| Извив запястья (JT6) | 4,0 | ||
| Позволяемый момент инерции (kg•m2) | Шарнирное соединение запястья (JT4) | 0,2 | |
| Загиб запястья (JT5) | 0,2 | ||
| Извив запястья (JT6) | 0,1 | ||
| Масса (kg) | 25 | ||
| Установка | Пол, потолок | ||
| Окружающая среда установки | Температура окружающей среды (°C) | 10 - 35 | |
| Относительная влажность (%) | 35 - 85 (никакая роса, ни заморозок не позволили) | ||
| Регулятор/требования к электической мощности (kVA) | F60/2,0 | ||
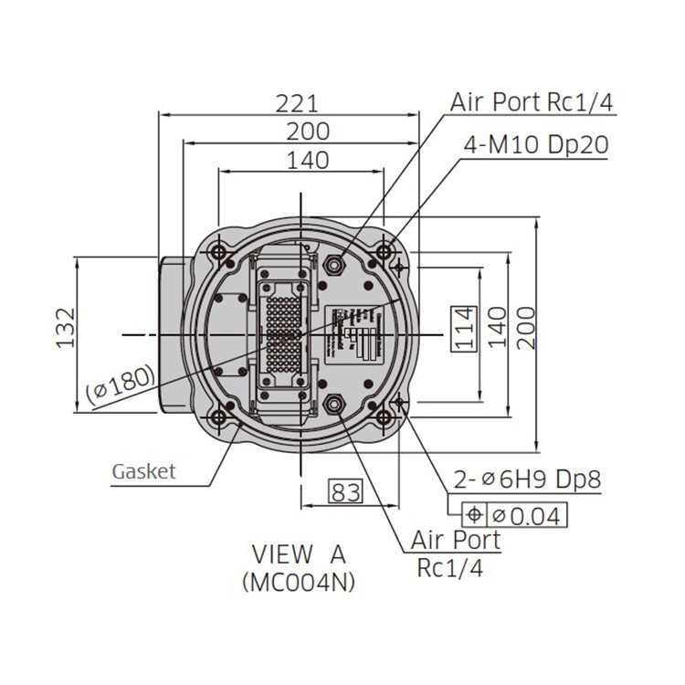
| Protection✽2 | Запястье: Эквивалент IP67/основание: Эквивалент IP65 | ||
| Чистота | ISO Class5 | ||
Характер продукции



Информация о продукте
Все продукты мы продаем от изготовителя начала. Мы представим всю документацию изготовителя пока мы заканчиваем доставку.
обеспечение 3.Quality
поддержка 4.Technical
Включая осмотр, ремонт и обслуживание, мы можем дать все виды службы технической поддержки.
ответ 5.Quickly
Наши штаты будут держать 24h онлайн и будут отвечать на ваш вопрос очень быстро.