Palletizer робота и достигаемость полезной нагрузки 20kg оси робота 6 cnc
рука 1725mm RA020N робототехническая промышленная для Кавасаки
Спецификация
| Спецификация | |
| Максимальная достигаемость | 1725m |
| Максимальная полезная нагрузка | 20kg |
| Повторимость | ± 0.04mm |
| Количество осей | 6 |
| Масса | 230kg |
| Скорость | 11500mm/s |
| Установка | Пол, потолок |
| Цвет | Эквивалент Munsell 10GY9/1 |
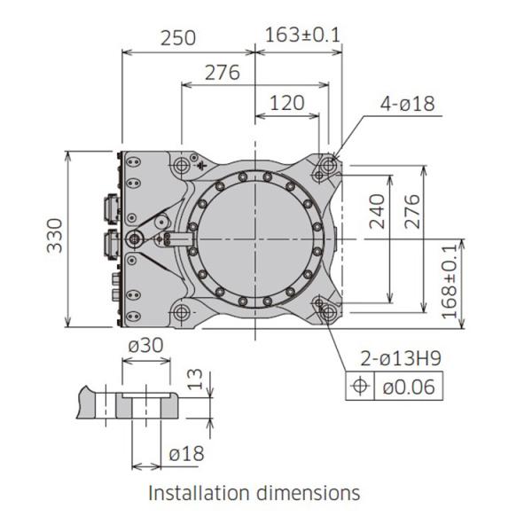
| Работая ряд | See прикрепил чертеж |
| Управляя мотор | Безщеточный сервомотор AC |
| Ряд движения | |
| JT1 | ±180° |
| JT2 | (- 105° - 155°) |
| JT3 | (- 163° - 150°) |
| JT4 | ±270° |
| JT5 | ±145° |
| JT6 | ±360° |
Характер продукции



Информация о продукте
Все продукты мы продаем от изготовителя начала. Мы представим всю документацию изготовителя пока мы заканчиваем доставку.
обеспечение 3.Quality
поддержка 4.Technical
Включая осмотр, ремонт и обслуживание, мы можем дать все виды службы технической поддержки.
ответ 5.Quickly
Наши штаты будут держать 24h онлайн и будут отвечать на ваш вопрос очень быстро.