Низкий тип обвайзер w реактивной силы резинового морского пехотинца части корабля обвайзера подводного резиновый
Описание:
Тип резиновые обвайзеры w использован в части и кормке стержня корабля подводных. Производственный процесс полно автоматический обматывающ общее отливая в форму вулканизование и механический корабль обрабатывая процесс паза. Workmanship делает резиновый обвайзер имеет представление хороших & длинной жизни, общее назначение, легко установку. Наши резиновые обвайзеры сделаны из высокой резины сопротивления ссадины с хорошими свойствами гибкости для необходимых применений. Эти обвайзеры легки для установки и для того чтобы разобрать.
Применение:
Тип: W
Применимый грузить часть и кормку стержня подводные
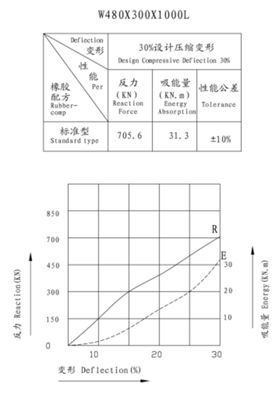
Абсорбция высокой энергии и низкая реактивная сила.
Главные технические данные:
| ТИПЫ | размеры (mm) (mm) | |||||
| B | Bl | H | H1 | h | L | |
| W320X200 | 320 | 180 | 200 | 67 | 50 | ≤2000 |
| W480X300 | 480 | 245 | 300 | 88 | 58 | ≤3000 |
| W500X330 | 500 | 248 | 330 | 90 | 65 | ≤2000 |
| W500X450 | 500 | 255 | 450 | 100 | 75 | ≤2500 |
| W500X400 | 500 | 270 | 400 | 99 | 74 | ≤2000 |
| W600X300 | 600 | 460 | 300 | 60 | 43 | ≤2000 |
| W600X400 | 600 | 405 | 400 | 78 | 58 | ≤2000 |

Чертеж типа резинового обвайзера w
Рабочая характеристика

