Тип a ISO 13795 сварил стальные палы с компактным кораблем базовой платины буксируя оборудование
Описание:
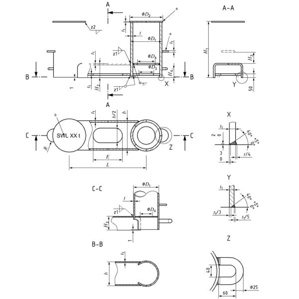
Тип a ISO 13795 сварил стальные палы с компактным кораблем базовой платины буксируя оборудование двойной тип пал bitt. Он использован как для причаливать, так и для буксировать. Номинальные размеры являются следующими: 150, 200, 250A, 250B, 300A, 300B, 350A, 350B, 400A, 400B, 450A, 450B, 500A, 500B, 550A, 550B и 600. Базовые платины weldable стальные пластины имея пункт выхода меньше чем 235 N/mm 2; материал столбов weldable стальные пластины имея пункт выхода меньше чем 235 N/mm 2 или соответствующих стальных трубок. Столбы палов построены от стальных труб или сформированы от плиты. Ребра установлены для того чтобы держать веревочки как можно ниже для уменьшения нагрузок к столбам пала от причаливая/буксируя веревочек. Обеспечена плита глаза для связывать останавливая- веревочку или цепь.
Главные технические данные:
Основные технические параметры:
|
Номинальный размер Dn |
D1 | D2 | D3 | D4 | H1 | H2 | H3 | H4 | b | L | E | t | t1 | t2 | R |
| 150 | 165,2 | 185 | - | 80 | 330 | 90 | 70 | 60 | 155 | 400 | - | 8,0 | 6 | 6 | 40 |
| 200 | 216,3 | 240 | - | 130 | 395 | 115 | 70 | 60 | 205 | 500 | - | 8,0 | 6 | 6 | 50 |
| 250A | 267,4 | 290 | - | 160 | 505 | 135 | 90 | 75 | 250 | 630 | - | 12,0 | 9 | 8 | 60 |
| 250B | 267,4 | 290 | - | 160 | 505 | 135 | 90 | 75 | 250 | 630 | - | 10,0 | 8 | 7 | 60 |
| 300A | 318,5 | 340 | 150 | 185 | 600 | 150 | 110 | 85 | 290 | 800 | 300 | 21,5 | 16 | 9 | 70 |
| 300B | 318,5 | 340 | 150 | 185 | 600 | 150 | 110 | 85 | 290 | 800 | 300 | 12,0 | 9 | 9 | 70 |
| 350A | 355,6 | 380 | 170 | 200 | 685 | 175 | 130 | 105 | 340 | 890 | 350 | 26,0 | 19 | 11 | 80 |
| 350B | 355,6 | 380 | 170 | 220 | 685 | 175 | 130 | 105 | 340 | 890 | 350 | 14,0 | 10 | 9 | 80 |
| 400A | 406,4 | 430 | 190 | 230 | 730 | 185 | 145 | 115 | 380 | 1 000 | 380 | 28,0 | 20 | 13 | 85 |
| 400B | 406,4 | 430 | 190 | 250 | 730 | 185 | 145 | 115 | 380 | 1 000 | 380 | 15,0 | 11 | 11 | 85 |
| 450A | 457,2 | 480 | 210 | 265 | 770 | 195 | 160 | 120 | 425 | 1 100 | 410 | 29,0 | 21 | 14 | 90 |
| 4508 | 457,2 | 480 | 210 | 285 | 770 | 195 | 160 | 120 | 425 | 1 100 | 410 | 14,5 | 11 | 11 | 90 |
| 500A | 508,0 | 530 | 235 | 295 | 830 | 230 | 200 | 150 | 480 | 1 250 | 460 | 32,0 | 23 | 16 | 100 |
| 500B | 508,0 | 530 | 235 | 320 | 830 | 230 | 200 | 150 | 480 | 1 250 | 460 | 14,5 | 11 | 11 | 100 |
| 550A | 558,8 | 580 | 255 | 330 | 900 | 270 | 200 | 180 | 520 | 1 380 | 540 | 31,0 | 22 | 16 | 110 |
| 550B | 558,8 | 580 | 255 | 350 | 900 | 270 | 200 | 180 | 520 | 1 380 | 540 | 21,0 | 16 | 11 | 110 |
| 600 | 609,4 | 630 | 280 | 365 | 950 | 300 | 200 | 200 | 560 | 1 550 | 600 | 33,0 | 23 | 16 | 120 |
| Номинальный размер Dn. |
Сваривая длина ноги | SWL | Высчитанный вес (kg) |
||||||||
|
Для зачаливания цели (Диаграмм- -8 belay) |
Для буксировать цели (Соединение глаза) |
||||||||||
| Z1 | z2 | польза Одн-веревочки | польза 2-веревочки | ||||||||
| (kN) | (t) | (kN) | (t) | (kN) | (t) | ||||||
| 150 | 3,5 | 3,5 | 54 | 5,5 | 49 | 5,0 | 383 | 10 | 29 | ||
| 200 | 3,5 | 3,5 | 82 | 8,4 | 65 | 6,7 | 579 | 13 | 46 | ||
| 250A | 5,5 | 4 | 156 | 16 | 134 | 14 | 1315 | 27 | 107 | ||
| 250B | 5,5 | 4 | 127 | 13 | 108 | 11 | 215 | 22 | 91 | ||
| 300A | 10,5 | 4 | 332 | 34 | 306 | 31 | 3365 | 62 | 281 | ||
| 300B | 10,5 | 4 | 186 | 19 | 161 | 16 | 352 | 36 | 166 | ||
| 350A | 12,5 | 5 | 443 | 45 | 418 | 43 | 5062 | 85 | 431 | ||
| 350B | 7 | 4 | 244 | 25 | 216 | 22 | 2855 | 50 | 241 | ||
| 400A | 12,5 | 6 | 594 | 61 | 521 | 53 | 6632 | 106 | 570 | ||
| 400B | 8 | 5 | 326 | 33 | 269 | 27 | 3816 | 67 | 322 | ||
| 450A | 12 | 7 | 753 | 77 | 612 | 62 | 8201 | 124 | 712 | ||
| 4508 | 8 | 7 | 382 | 39 | 292 | 30 | 4483 | 78 | 379 | ||
| 500A | 12,5 | 8 | 992 | 101 | 757 | 77 | 10928 | 154 | 960 | ||
| 5008 | 8 | 5 | 457 | 47 | 326 | 33 | 5474 | 93 | 465 | ||
| 550A | 11,5 | 8 | 1131 | 115 | 812 | 83 | 12635 | 165 | 1 123 | ||
| 5508 | 11,5 | 5 | 781 | 80 | 541 | 55 | 9280 | 159 | 787 | ||
| 600 | 11,5 | 8 | 1401 | 143 | 948 | 97 | 15539 | 193 | 1 391 | ||

Рисовать типа a ISO 13795 сварил стальные палы с компактным кораблем базовой платины буксируя оборудование



