Скрепленная болтами сторона уничтожает с крышкой шторма
Описание:
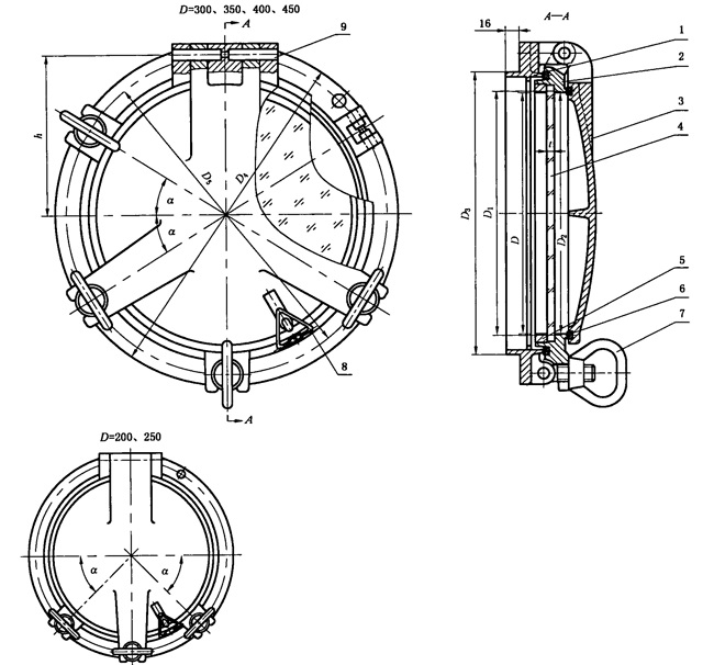
Скрепленная болтами сторона уничтожает с крышкой шторма для кораблей обычно использована на океан-идя кораблях, сосудах пути внутренней воды, военных кораблях. Он приспособлен с болтами на стене или плите раковины корабля. Бухта шторма или шарниры deadlight и стеклянных держателя или доли рамки общие. Стеклянные держатель и крышка или deadlight шторма прикреплены болтом и гайкой качания. Это регулярная серия (n) уничтожает без ранга огнестойкости. Мы можем произвести класс a и доказательство огня b уничтожает.
Главные технические данные:
Основные технические параметры:
| Номинальный Диаметр D |
D1 | D2 | D3 | D4 | D5 | h | t | a | Крепежные детали Номер для стекла Держатель |
Крепежные детали Номер для шторма Крышка |
Установка Размер болтов |
Установка Болты Номер |
Стена Отверстие Размер |
Вес kg |
| 200 | 245 | 204 | 250 | 350 | 310 | 155 | 8 | 45° | 3 | 2 | M12 | 8 | 253 | 14,23 |
| 250 | 295 | 254 | 305 | 400 | 364 | 182 | 42° | M16 | 308 | 17,16 | ||||
| 300 | 350 | 304 | 360 | 450 | 414 | 207 | 10 | 31° | 3 | 12 | 363 | 22,74 | ||
| 350 | 400 | 354 | 410 | 500 | 464 | 232 | 12 | 32° | 413 | 26,93 | ||||
| 400 | 450 | 404 | 460 | 550 | 514 | 257 | 31° | M18 | 463 | 31,07 | ||||
| 450 | 500 | 454 | 510 | 600 | 564 | 282 | 15 | 4 | M20 | 513 | 36,83 |

Чертеж скрепленной болтами стороны уничтожает с оборудовать морского пехотинца крышки шторма

