Самосхвата апельсиновой корки экскаватора утиль гидравлического стальной сражается для строительств
Характер продукции
Оно ia главным образом конструированное для вручать силы и точных кусковых материалов как химикаты, удобрение, зерно, уголь, кокс, железная руда, песок, материалы consreuction частицы и amashed утесы etc.
Оно широко было использовано в портах, заводах по изготовлению стали, электростанциях, кораблях и обработке отброса, заводах, и использовано вместе с кранами башни, кранами корабля, выгружателями корабля, путешествующ краны и другой тип кранов. Самосхват имеет свою собственную гидравлическую систему, ключевые положения чего узнанного бренда импортированного за рубежом которые обеспечивают высокую эффективность самосхвата.
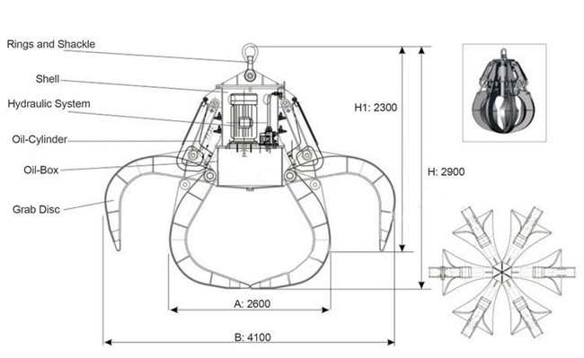
Чертеж и спецификация

| Вес самосхвата (t) | Используя кран (t) | Том (³ m) | Насыпная плотность (³ t/m) | Тариф шкива | Dia. шкива (mm) | Dia. стальной веревочки (mm) |
| 1,85 | 3 | 0,5 | >2,0 | 4 | Φ300 | Φ13 |
| 2,4 | 5 | 0,75 | >2,5 | 5 | Φ350 | Φ16 |
| 2,6 | 5 | 1 | >2,0 | 5 | Φ400 | Φ16 |
| 2,6 | 5 | 1,5 | >1,6 | 4 | Φ400 | Φ16 |
| 2,6 | 5 | 3,0 | >0,8 | 3 | Φ400 | Φ16 |
| 4,5 | 10 | 5,0 | >1,0 | 3 | Φ480 | Φ20 |
| 4,6 | 10 | 3,0 | >1,6 | 5 | Φ480 | Φ20 |
| 4,8 | 10 | 2,0 | >2,5 | 5 | Φ480 | Φ20 |
| 4,9 | 10 | 1,5 | >3,3 | 6 | Φ480 | Φ20 |
| 7,8 | 16 | 5,5 | >1,8 | 5 | Φ560 | Φ28 |
| 8 | 16 | 3,0 | >3,0 | 5 | Φ560 | Φ28 |
| 8,2 | 20 | 4,0 | >2,8 | 5 | Φ650 | Φ30 |
| 11 | 25 | 4,5 | >3,3 | 6 | Φ720 | Φ32 |
| 13 | 25 | 6,5 | >2,0 | 4 | Φ720 | Φ32 |
| 17 | 40 | 8,0 | >3,0 | 6 | φ910 | φ40 |
Конструктивные особенности
1.Reasonable структура, превосходное представление
2.Soft начиная и останавливая
3.Safe и надежный путешествовать
4. малошумная, commodious кабина и открытый взгляд
обслуживание 5.Low, легкая замена частей и компоненты
Детали продукта
Особенные гидравлические самосхваты для экскаваторов разделены в 2 типа: роторный и не-slewing. Самосхваты без качаний используют цепь масла цилиндра масла ведра экскаватора. Никакие дополнительные блоки и трубопроводы водяной задвижки необходимы; самосхваты с качаниями необходимо добавить. Набор блоков и трубопроводов водяной задвижки, который нужно контролировать.
Гидравлические самосхваты особенные аксессуары оборудования индустрии. Необходимо, что выполняет особенное оборудование деятельность эффективно и с высококачественным, как автоматы для резки плазмы CNC, скашивает филировальные машины, машины завальцовки плиты, сварочные манипуляторы, машины расточкой, стенды гидравлического теста, etc…

вопросы и ответы
1.Is ваш подгонянный продукт?
Большое спасибо для вашего вопроса. Да, потому что условия труда другие, все наши продукты подгоняны в зависимости от требования к детали! Так если вы даете нам больше информации об емкости подъема, пяди, высоте подъема, источнике питания и других экстренныйых выпусках, то, мы передадим вам очень быстрая и точная цитата.
2. Что информация должно я обеспечить когда дознание?
Большое спасибо для вашего вопроса. Больше информации вы обеспечиваете, точное решение мы можем подготовить для вас! Информация как емкость подъема, пядь, высота подъема, источник питания или другие экстренныйые выпуски вы даете нас будет оцениватьее.
3. Сколько работая методов для моего выбора?
Большое спасибо для вашего вопроса. Стандартные работая методы мы обеспечиваем привесной регулятор с кнопками. Между тем, мы можем также предусмотреть дистанционное управление с кнопками и управление кабины (места космической капсулы) с кнюппелем. Вы можете выбрать любое из их, как раз скажите нам!
4. Что максимальная поднимаясь емкость крана?
Большое спасибо для вашего вопроса. Максимальная поднимаясь емкость нашего стандартного крана до 450 тонн. Если это не может удовлетворять ваше требование к работы. Пожалуйста свяжитесь мы для подгонянного особенного.
5. Космос моей мастерской, может ограничен кран ок для шахты?
Большое спасибо для вашего вопроса. Для низкой мастерской headroom, мы имеем особенные продукты. Размер детали пожалуйста советует с нашим профессиональным инженером.
6. Может кран работать в опасной окружающей среде?
Большое спасибо для вашего вопроса. Этот тип продукт как раз для применения вообще изготовляя мастерскую. Для опасной окружающей среды, пожалуйста советуйте с наш профессиональный администраторов по сбыту.
7.Do ваша сторона может обеспечить инструменты подъема?
Большое спасибо для вашего вопроса. Да, мы можем обеспечить все виды инструментов подъема как пояс слинга подъема, струбцина подъема, самосхват, магнит или другие экстренныйые выпуски как ваше требование.