Тип установленный столбцом электрической лебедки мастерской одиночный луча рангоута кран кливера
Характер продукции
Пол - установленный кран кливера главным образом, который состоят из стальная структура включая штендер и рука slewing, электрическая лебедка, slewing механизм и электрические части. Кран кливера widly использован в мастерской собрания, подвергая механической обработке мастерской, прессформе собрания, исследовательской лабаратории, мастерской обслуживания, небольшой станции перевозки, складе, ремонтные мастерские etc. подъемное устройство используемое с талями с цепью и электрическими лебедками CD. Оно имеет характеристики простой деятельности, надежной деятельности и удобного обслуживания. Широко используйте верхние и более низкие материалы машины мастерской потребителя и процесса, подниматься workpiece производственной линии и других случаев.
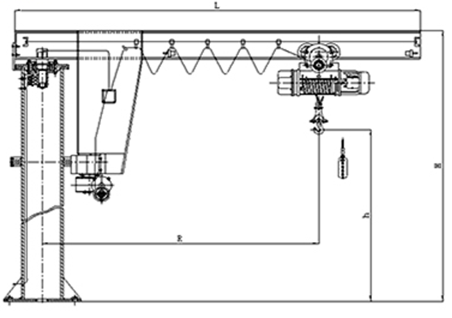
Чертеж и спецификация

| Емкость нагрузки (тонна) | Пропаганда (m) | Высота Максимальн Lifting (m) | Класс обязанности |
| 1 | 3~6 | 3~8 | A3 или A5 |
| 2 | 5~35 | 3~25 | A3 или A5 |
| 3 | 5~35 | 3~25 | A3 или A5 |
| 5 | 5~35 | 3~25 | A3 или A5 |
| 8 | 5~35 | 3~25 | A3 или A5 |
| 10 | 5~35 | 3~25 | A3 или A5 |
| 12 | 5~35 | 3~25 | A3 или A5 |
| Ориентированный на заказчика | Ориентированный на заказчика | Ориентированный на заказчика | Ориентированный на заказчика |
Преимущества фиксированного установленного крана кливера
Кран кливера штендера имеет преимущества уникальной структуры, высокой безопасности, надежности, высокой деятельности эффективности работы, энергосберегающего и помогающих экономить время, гибких, etc.
Компактный дизайн
Дизайн компактной текстуры делает свет крана кливера штендера в мертвом грузе и превосходный в проведении работы, улучшает норму использования космоса и расстояние деятельности крюка узких частей к максимуму умышленно. Самое лучшее решение погрузо-разгрузочной работы для ваших применений.
Ровная, быстрая загрузка, превосходное представление
Система управления преобразования частоты Stepless установлена к крану и вагонетка, которая делает тормоз крана кливера штендера стабилизированно, размещает точно, выполняет надежно, и путешествует устойчиво, положение быстро, и разрешает проблему качания нагрузок.
Безопасный, надежный, используя свободный дизайн обслуживания
Самая лучшая технология принята которая делает частую деятельность безопасный и эффективный.
Идеальные системы торможения могут в большинстве улучшают безопасность крана кливера штендера и надежность, оборудованная с пылезащитным дизайном, срок пригодности может достигнуть до 1 миллион времен. Затвердетая и отполированная поверхность зуба обеспечивает деятельность крана ровно без тревог.
Детали продукта

Пакет и доставка





1.Is ваш подгонянный продукт?
Большое спасибо для вашего вопроса. Да, потому что условия труда другие, все наши продукты подгоняны в зависимости от требования к детали! Так если вы даете нам больше информации об емкости подъема, пяди, высоте подъема, источнике питания и других экстренныйых выпусках, то, мы передадим вам очень быстрая и точная цитата.
2. Что информация должно я обеспечить когда дознание?
Большое спасибо для вашего вопроса. Больше информации вы обеспечиваете, точное решение мы можем подготовить для вас! Информация как емкость подъема, пядь, высота подъема, источник питания или другие экстренныйые выпуски вы даете нас будет оцениватьее.
3. Сколько работая методов для моего выбора?
Большое спасибо для вашего вопроса. Стандартные работая методы мы обеспечиваем привесной регулятор с кнопками. Между тем, мы можем также предусмотреть дистанционное управление с кнопками и управление кабины (места космической капсулы) с кнюппелем. Вы можете выбрать любое из их, как раз скажите нам!
4. Что максимальная поднимаясь емкость крана?
Большое спасибо для вашего вопроса. Максимальная поднимаясь емкость нашего стандартного крана до 450 тонн. Если это не может удовлетворять ваше требование к работы. Пожалуйста свяжитесь мы для подгонянного особенного.
5. Космос моей мастерской, может ограничен кран ок для шахты?
Большое спасибо для вашего вопроса. Для низкой мастерской headroom, мы имеем особенные продукты. Размер детали пожалуйста советует с нашим профессиональным инженером.
6. Может кран работать в опасной окружающей среде?
Большое спасибо для вашего вопроса. Этот тип продукт как раз для применения вообще изготовляя мастерскую. Для опасной окружающей среды, пожалуйста советуйте с наш профессиональный администраторов по сбыту.
7.Do ваша сторона может обеспечить инструменты подъема?
Большое спасибо для вашего вопроса. Да, мы можем обеспечить все виды инструментов подъема как пояс слинга подъема, струбцина подъема, самосхват, магнит или другие экстренныйые выпуски как ваше требование.