SINO загерметизированный абсолютный масштаб согласования BiSS c кодировщика кодировщиков угла AD-60MB-S18 для машины токарного станка мельницы
ISO9001 загерметизировало абсолютные кодировщики угла AD-100MA-C29 Granding оптически угол шифрует для филируя токарного станка
Кодировщик угла термине типично использован для того чтобы описать кодировщики которые имеют точность от ± 5" to± 10" и линию отсчет над 5000. Кодировщики угла выбора когда необходимо измерение угла в точности немного секунд.
Извещение о безопасности
Это руководство по эксплуатации направить технический персонал участвуя в установке и поручать. Осторожно прочитайте это руководство по эксплуатации перед установкой и работать этого продукта. Гарантия будет потерянные должными к несанкционированному изменению и unallowed использованию.
Nordon Корпорация также обеспечивает линейные масштаб, кодировщик, etc. требовало для других различных применений, включая:
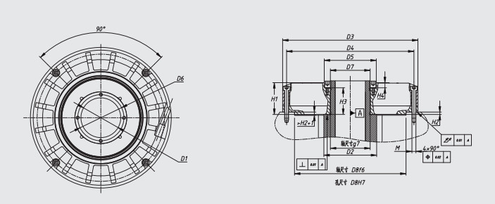
спецификации
| ДЕТАЛЬ | AD-60MB-S18 |
| Размер D1 вала | 100g7 (- 0.010/-0.040) |
| D2 | 80 |
| D3 | 165 |
| D4 | 158 |
| D5 | 76 |
| D6 | 66 |
| D7 | M60*1 |
| D8 | 148 |
| H1 | 39 |
| H2 | 3 |
| H3 | 32,5 |
| H4 | 6,5 |
| M | 4*M5*30 |
Фото




вопросы и ответы
Q1: Когда оно будет поставлен?
: 5-8days
Q2: Смог я иметь взгляд на образце?
: Определенно, мы можем отправить вами изображение образца продукта так, что вы сможете проверить качество.
Q3: Сколько времени продукт гарантирует качественное?
: Мы предлагаем одну гарантию года для нашего продукта, и наш продукт имеет строгое качественное испытание.
Q4: Приемлемо напечатать мой логотип на продукте?
: Да. Пожалуйста сообщите нас официально перед нашей продукцией и подтвердите дизайн во первых основанный на нашем образце.
Q5: Как вы грузите товары и сколько времени оно принимаете для того чтобы приехать?
: Мы часто грузим DHL, UPS, Federal Express, или TNT. Он обычно принимает 5-8 дней для того чтобы приехать. Авиакомпания и доставка моря также опционные.