IEC 60898-1Система испытания остаточного тока от выключателя 500A
Обзор продукта:
Он соответствует стандартам IEC 60898-1, IEC 1008-1, IEC 61009-1, IEC 62423 и т.д. Основные компоненты (энергетический шкаф, шкаф контроля утечек, шкаф сопротивления нагрузки)
Примечания: шкаф питания предоставляется заказчиком.
Технические параметры:
1Рабочее питание: трехфазное четырехпроводное 380В±10%.
2Мощность оборудования: 90 кВА.
3Выходное напряжение: предоставляется пользователем.
4Тип переменного тока 50 Гц Переменный остаточный ток: 2mA-10A, непрерывно регулируемый, уровень точности: 0,5 уровня.
20-500А, выходной шаг, уровень точности: 1,5 уровня.
5. A-ype Полуволновой пульсирующий остаточный ток: 0°: 5mA-7A, 90°: 5mA-5A, 135°: 5mA-2A, уровень точности: 2.0 уровень.
6. 150H, 400Hz, 1000Hz остаточный ток: 2mA-10A, уровень точности: 0,5 уровня.
7Гладкий постоянный ток: 2mA-10A, уровень точности: 1.0 уровень.
8Частота испытания: 50/60 Гц, 150 Гц, 400 Гц, 700 Гц, 1000 Гц.
9. Композитная волна (тип F) Содержит содержание 10 Гц 3,5%, содержание 50/60 Гц 13,8%, 1000 Гц, содержание 13,8%.
10Точность времени: 5 мс, разрешение 1 мс.
11Трехфазный ток нагрузки: AC 1-125A, фиксированный выход с суперпозицией резистора.
12Электрические параметры Qingzhi: AC 500V/5A, уровень точности: 0,5 уровня.
13. Автоматический интерфейс испытания:
Автоматическое редактирование элементов испытаний и автоматическая запись данных испытаний
Содержание испытания:
(1) 9.9.2, когда нет нагрузки, используйте остаточный ток для испытания.
(2) 9.9.2.1: Когда остаточный ток постоянно увеличивается, проверяется правильность действия.
(3) 9.9.2.2: При закрытии остаточного тока проверяется правильность действия.
(4) 9.9.2.3: Если остаточный синусоидный переменный ток внезапно появляется, проверьте правильность действия.
Тип S: при внезапном добавлении остаточного тока и времени испытания в таблице 2 продукт не запускается.
(5) 9.9.2.4: При внезапном появлении значения остаточного тока между 5В и 500А проверяется правильность.
Текущие классы: 5A, 10A, 20A, 50A, 100A, 200A, 500A.
(6) 9.9.3 При нагрузке испытывать остаточный ток.
При понижении номинального тока испытание проводится в соответствии с 9.9.2.2 и 9.9.2.3.
(7) 9.9.5 Особые условия испытаний для РДК, чья рабочая функция связана с напряжением питания.
Испытание с 0,85 и 1,1 раз номинальным напряжением.
(1) 9.21.1.1 Проверить правильную работу, когда остаточный пульсирующий постоянный ток продолжает расти.
(2) 9.21.1.2 Проверка правильной работы в случае внезапного остаточного пульсирующего постоянного тока
(3) 9.21.1.3 Правильная работа под нагрузкой при номинальном токе, испытание согласно 9.21.1.1
(4) 9.21.1.4 Проверить правильную работу при наложении остаточного пульсирующего тока постоянного тока на 0,006A плавного тока постоянного тока
(1) 9.1.2 Проверить правильную работу при постоянном увеличении совокупного остаточного тока.
(2) 9.1.3 Проверить правильную работу при внезапном приведении комбинированного остаточного тока. Проверить время разрыва RCD, испытательный ток калиброван на 1,4In x 5In.
(3) 9.1.4 Проверяется правильная работа четырехполярного РКД типа F, когда остаточный ток появляется, когда питаются только два полюса.
Испытать четырепольный продукт согласно 9.1.2, но проверьте только нейтральный проводник и одну из линий.
(4) 9.1.6 Проверить производительность при остаточном потоке при входе. Приложить импульс с пиковым током 10Ind, измерить 3 раза в направлении вперед и 3 раза в обратном направлении,и продукт не падает.
(5) 9.1.7 Проверяют правильность, когда пульсирующий остаточный ток постоянного тока накладывается на гладкий ток 10 мА. Накладывают гладкий остаточный ток постоянного тока 10 мА на остаточный ток переменного тока при номинальной частоте.
(1) 9.2.1.2 Проверка правильности для синусоидных остаточных токов переменного тока 1000 Гц и ниже
Постепенно увеличивать от 0,2 дюйма до остаточного значения действия тока, указанного в таблице 2, в течение 30 секунд.
b. Проверьте ток перерыва. Если внезапно появляется ток, указанный в таблице 2, проверьте время отключения изделия.
Общий RCD: T<0,3s RCD типа S: 0,13s ≤ T <0,5s

(2) 9.2.1.3 Проверка правильной работы при наложении остаточного тока переменного на плавный остаточный ток постоянного тока.
Наложить 0,4-кратный номинальный остаточный рабочий ток на остаточный ток переменного тока (тип переменного тока) при номинальной частоте.
Медленный остаточный ток постоянного тока или 10mA Медленный остаточный ток постоянного тока (в зависимости от того, какой из них выше).
(3) 9.2.1.4 Правильная работа при наложении пульсирующего остаточного тока постоянного тока на плавный остаточный ток постоянного тока

Гладкий остаточный ток постоянного тока 0.4 раза номинальный остаточный рабочий ток или плавный остаточный ток постоянного тока 10mA (более крупный из двух) накладывается на остаточный ток переменного тока номинальной частоты (тип А), угол 0°).
(4) 9.2.1.5 Проверить правильную работу, когда остаточный ток постоянного тока генерируется двуфазной цепью выпрямителя.
a. Медленно увеличивайте ток с 0,2 до 2 дюймов, чтобы проверить ток отключения продукта.
b. Согласно текущему значению, указанному в таблице 1, внезапно добавлять утечный ток и испытывать время отключения продукта.

(5) 9.2.1.6 Проверка правильной работы при генерации остаточного тока постоянного тока в цепи выпрямителя трехфазного источника питания
a. Медленно увеличивайте ток с 0,2 до 2 дюймов, чтобы проверить ток отключения продукта.
b. Согласно текущему значению, указанному в таблице 1, внезапно увеличить ток утечки и проверить время отключения продукта.

(6) 9.2.1.7.1 Проверить правильную работу без нагрузки при сглаживании остаточного тока постоянного тока
a. Медленно увеличивать от 0,2 до 2 дюймов для проверки тока отключения продукта.
b. внезапное увеличение тока утечки в соответствии с текущим значением, указанным в таблице 1, для испытания времени отключения продукта.

(7) 9.2.1.7.2 Под нагрузкой проверяется правильная работа с плавным остаточным током постоянного тока.
Испытайте ток отключения продукта, медленно увеличивая ток с 0,2 дюйма до 2 дюймов.
(8) 9.2.3 Проверяется правильная работа трехпольных и четырехпольных РКД типа В, когда питаются только два полюса.
Испытание выполняется в соответствии с пунктом 9.2.1.2 и 9.2.1.7.1, обеспечивающий только нейтральную и фазовую (однофазную) питание.
(9) 9.2.4 После испытания проверяется, что RCD
запускается испытательным током 2,5 дюймов гладкого постоянного тока.
Структура:

Введение в состав оборудования
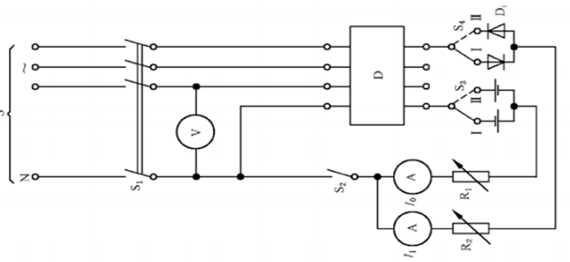
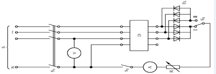
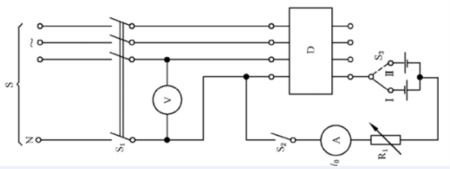
1. шкаф для контроля утечки:
В основном состоит из 3 испытателей утечки (S1) с закрытой утечкой, с утечкой типа B 10A, с утечкой 500A) и схемы управления.
Он может реализовать испытание всех типов остаточных токовых выключателей на этом этапе, таких как тип переменного тока (частота питания AC), тип A (частота питания AC и пульсирующий DC),Тип F (переменная частота AC и сложная волна), B типа (полноценная функция).
Включая: остаточный ток переменного тока 150, 400, 1000 Гц и ниже синусоидального, остаточный ток переменного тока, наложенный на гладкий остаточный ток постоянного тока,пульсирующий остаточный ток постоянного тока, наложенный на гладкий остаточный ток постоянного тока, пульсирующий постоянный остаточный ток, генерируемый двухфазной или многофазной цепью выпрямителя, плавный постоянный остаточный ток.
2Автоматическая система управления: в основном состоит из промышленного компьютера Advantech (I7/8G), 21,5-дюймового ЖК-экрана, машины MCGS все в одном, электрических параметров Qingzhi,PLC Omron и различные компоненты управления низким напряжением, трансформаторы для отбора проб и т.д.
3. 125A ток нагрузки: эта нагрузка является 1-125A полная сопротивляющая нагрузка, состоящая из нескольких сопротивлений параллельно.автоматически переключается, и три фазы работают одновременно.
Показать подробности

