SMD 5032 TCXO с вырезанной синеволновой выходом 10 ~ 52MHz 1.8-3.3V
Особенности
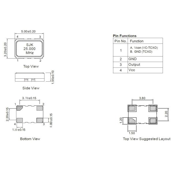
Типичный 5,0×3,2×1,5 мм керамический SMD пакет.
CMOS и выходной синусовой волны (без конденсатора постоянного тока).
Диапазон выходной частоты: от 10 до 52 МГц
Температурная устойчивость: ±0,05ppm~±0,5ppm
VCTCXO доступен
Автоматическая установка и рефлюксная сварка
Приложения: базовая станция, пласт 3, фемтоцель, WLAN, беспроводная связь и т.д.
Соответствует требованиям RoHs и свободен от Pb
Спецификации
| Тип | SMD серии 5T TCXO / VC-TCXO | ||
| Тип выхода | Обрезанная синусная волна | CMOS | |
| Выходная нагрузка | 10KΩ//10pF | 15pF, или указать | |
| Диапазон частот | 10 ~ 52 МГц | ||
| Напряжение питания | 3.3В /5.0В | ||
| Ток подачи | 3.5 мА Макс. | Максимально 8 мА. | |
| Уровень выпуска | 0.8Вп-п минус. | 0.1Вcc/0.9Вcc | |
| Стабильность частоты | Толерантность | Максимально ± 2,0 ppm. | |
| В сравнении с температурой | ±0,05ppm~±0,5ppm | ||
| В противоположность напряжению питания (Vcc±5%) | Максимально ± 0,3 ppm. | ||
| vs нагрузка (нагрузка варьируется ± 10%); | Максимально ± 0,2 ппм. | ||
| В сравнении со старением | Максимально ±1,0ppm. | ||
| Автоматическое управление частотой (AFC) диапазон (VCTCXO) | ±5ppm~±10ppm (1,5±1В) | ||
| Время запуска | Максимально 2 мс. | ||
| Операционная температура | -40 ~ + 85°C, или указать | ||
| Цикл работы | 45-55% | ||
| Фазовый шум @ 10 МГц | 100 кГц | -125 дБc/Гц | |
| 1 кГц | -145 дБc/Гц | ||
| 10 кГц | -150 дБc/Гц | ||
| Объект упаковки | 1000 шт. на катушку | ||
Размеры [мм]

+86-755-88352869
Рита@q-crystal.com