3X серии через отверстие 20*20 OCXO высокочастотный диапазон 5MHz-40MHz высокая стабильность 10ppb Для телекоммуникаций
Особенности:
Электронные спецификации:
| Положение | Серия 3X DIP 20*20 OCXO | ||||
| Форма выходной волны | HCMOS | ||||
| Диапазон частот | от 5 до 40 МГц | ||||
| Напряжение питания | 3.3В | 5В | |||
| Толерантность начальной калибровки | ± 500ppb (максимум) | ||||
| Vcon=+1,65V | Vcon=+2,5В | ||||
| Тип используемой кристаллической резки | Кристаллы SC-Cut | ||||
| Стабильность частоты | В сравнении с температурой | ±10ppb максимум от -30°C до +70°C | |||
| ±10ppb максимум от -30°C до +70°C | |||||
| ±10 ppb максимум при температуре от -40°C до +85°C | |||||
| С напряжением питания | Максимально ±10ppb (Vcc±5%) | ||||
| Время разогрева | максимум 3 минуты в пределах ±50ppb от его базовой частоты | ||||
| В сравнении со старением | ±0,5ppb максимум после 30 дней; ±50ppb максимум в первый год; ±300ppb максимум в течение 10 лет. | ||||
|
Управление напряжением включено Пин 1 (EFC) |
Диапазон регулировки частоты | ± 0,5ppm min, ± 2ppm max. | |||
| Диапазон регулируемого напряжения | +1,65В±1,65В | +2,5В±2,5В | |||
| Функция передачи | Положительно: увеличение напряжения управления увеличивает частоту выхода. | ||||
| Импеданс ввода | 100 КΩ в минуту. | ||||
| Линейность EFC | ± 10% максимум. | ||||
| Сила | Рассеивание энергии (@25°C) | 1.3Ватт максимум в устойчивом состоянии; 800mA максимум при включении | |||
| Выпуск | Выходная логика высокая (V)О, да.) | +2,4В минус. | +3,5В минус. | ||
| Логика вывода низкая (V)ОЛ) | Максимально +0,5 В. | Максимально +0,5 В. | |||
| Цикл работы | 45-55% | ||||
| Нагрузка | 15pF | ||||
| Время подъема / время падения | 7nS максимум (20% ~ 80% формы волны) | ||||
| Фазовый шум [20 МГц] ((Тип.) | 10 Гц | 100 Гц | 1 кГц | 10 кГц | |
| -115 дБc | -135 дБc | -145 дБc | -150 дБc | ||
| Операционная температура | -20~+70°C, -40~+85°C или указать | ||||
| Температура хранения | -55~+125°C | ||||
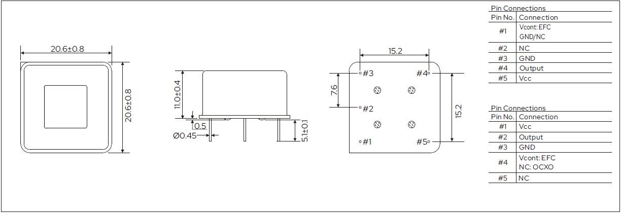
| Размер упаковки (L*W*H) | 20.6*20.6*11.0 мм | ||||
| Объект упаковки | 1000 шт. на коробку | ||||
Размеры:
