Кристаллический блок 6P серии M49SMD 7 * 4 мм размер 6.7458MHz до 50MHz Высокая экологическая производительность для промышленных устройств
Особенности:
Электронные спецификации:
| Положение | Кристаллический блок M49SMD серии 6P | |||
| Диапазон частот | 6.7458MHz до 12MHz | от 12 до 16 МГц | от 16 до 20 МГц | от 20 до 50 МГц |
| Приказ овертоне | Основные | |||
| Толерантность частоты | ±10ppm до ±30ppm или указать | |||
| Стабильность частоты при температуре | ±10ppm до ±30ppm или указать | |||
| Вместимость груза | 9pF, 12pF, 20pF или указать | |||
| Сопротивление серии | 100Ω максимум | 60Ω максимум | 50Ω максимум | 40Ω максимум |
| Капацитанция шунта | Максимально 3 пФ. | |||
| Уровень привода | 10 мкВт тип. | |||
| Резистентность к инсулону | 500MΩ min 100VDC/+15VDC | |||
| Старость | Максимально ±3ppm/год. | |||
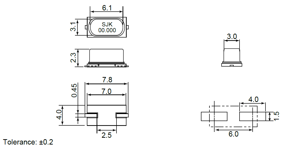
| Размер упаковки | 7.0*4.0*2.0 мм | |||
| Объект упаковки | 1000 шт. на катушку | |||
Размеры:
