76зит-13012 В 200 ВтГидравлический масляный насос ДЦ двигатель, используемый для силовой установки Электрическое транспортное средство Гидравлическая система
Постоянный магнитный щетка постоянный двигатель 76ZYT-130
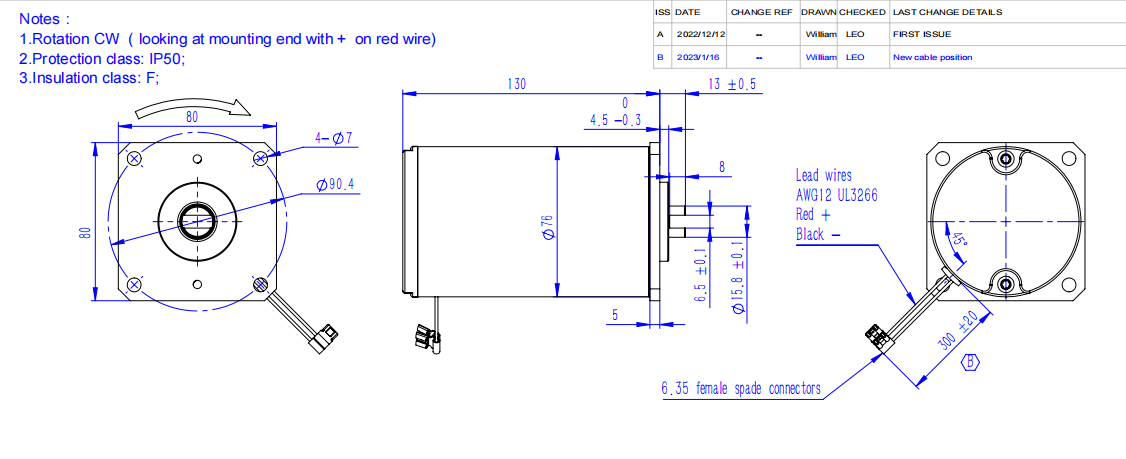
Спецификации двигателя
Материалы вала 3Cr13, HRC 36~40
Высококачественные шариковые подшипники
Жесткий ферритовый магнит, 2-полюсный
Класс защиты IP 50
Класс изоляции: F, диапазон температуры работы: -40°C~ + 140°C
Сертификат CE и ROHS
Варианты
Конфигурации напряжения, обмотка, вала, монтажа и свинца
Схема подавления EMI/RFI; теплозащита, высокотемпературная изоляция класса H


