трансформатор ST7033QNL Lan локальных сетей 11.56mm x 6.99mm для высокопроизводительных цифровых переключателей
Трансформатор Lan локальных сетей:
Трансформаторы сети также как трансформаторы изоляции сети, трансформаторы локальных сетей, и фильтры сети.
Типы продукта разделены в одно-порт, двойн-порт, мульти-порт, 10/100BASE, 1000BASE-TX, и RJ45 взаимодействуют интегрированные трансформаторы изоляции сети.
Продукты главным образом использованы: Карта сети RJ45, переключатели локальных сетей, маршрутизаторы сети, приборы ADSL, VDSL цифровые, терминалы EOC, три режима EPON/GPON приборы, телевизионные приставки сети, умные ТВ, камеры сети, материнские платы SDH/ATMSDH/ATM, ПК, промышленные материнские платы и другое оборудование.
Влияние:
Теоретически говорящ, не необходимо соединить трансформатор и он может также работать нормально когда оно подключено с RJ45. Однако, дальность передачи очень ограничена, и она также будет иметь удар когда она будет соединен с различным сетевым портом. И вмешательство извне к обломоку также большое. Соединенный с трансформатором сети, он главным образом использован для соединения уровня сигнала. Смогите иметь следующие влияния:
трансформатор ST7033QNL Lan локальных сетей 11.56mm x 6.99mm для высокопроизводительных цифровых переключателей
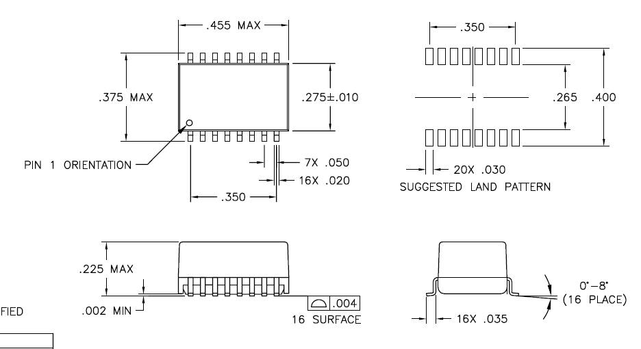
Размеры:
