Модульный PCB прямой Джек JD2-0011NL для сообщения и силы
Примечания:
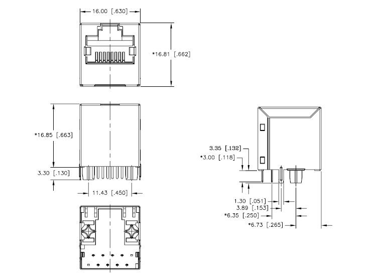
МАТЕРИАЛ 1.CONNECTOR:
HOUISING: ТЕРМОПЛАСТИКОВЫЙ V-O UL94
ЭКРАН: Латунь
ПЛАКИРОВКА ЭКРАНА: НИКЕЛЬ
КОНТАКТ: СПЛАВ БОНДАРЯ
КОНТАКТНОЕ ПОКРЫТИЕ: ВЫБОРОЧНОЕ ЗОЛОТО, 6 МИКРОДЮЙМОВ МИНИМАЛЬНОЕ В ПЛОЩАДИ КОНТАКТА.
2.PIN ЭЛЕКТРИЧЕСКИ СОЕДИНИЛОСЬ ВОЗМОЖНО СНЯТЫЙ ВИДИТ ЭЛЕКТРИЧЕСКИЙ ЧЕРТЕЖ
ДЛЯ ШТЫРЕЙ OMTTED.
3.RJ45 CAVITIED СООТВЕТСТВУЮТ ПРАВИЛАМ FCC И РЕГУЛИРОВАННОЙ ЧАСТИ 68.
ЧАСТЬ 4.THE RECOMMENDDED ДЛЯ ВОЛНЫ ПАЯЯ ОТРОСТЧАТЫЙ ПИКОВЫЙ ПАЯТЬ
ТЕМПЕРАТУРА 260 МАКСИМАЛЬНЫХ, 10 SECS МАКСИМАЛЬНЫХ
ТЕМПЕРАТУРА 5.OPERATING T = 0 ДО 70
6.STORAGE ТЕМПЕРАТУРА T= -40 ДО 85
КРИТИЧЕСКИЕ РАЗМЕРЫ 7.ALL С «*»
ИНФОРМАЦИЯ 8.PACKAGING: 50PCS/TRAY, 1200PCS/BOX
Электронные спецификации:
Модульный PCB прямой Джек JD2-0011NL для сообщения и силы
Форма и размеры:
