Соединитель 8P8C RJ45 модульный Джек JXR0-0001NL/JXR0-0011NL Cat5 RJ45
Описание:
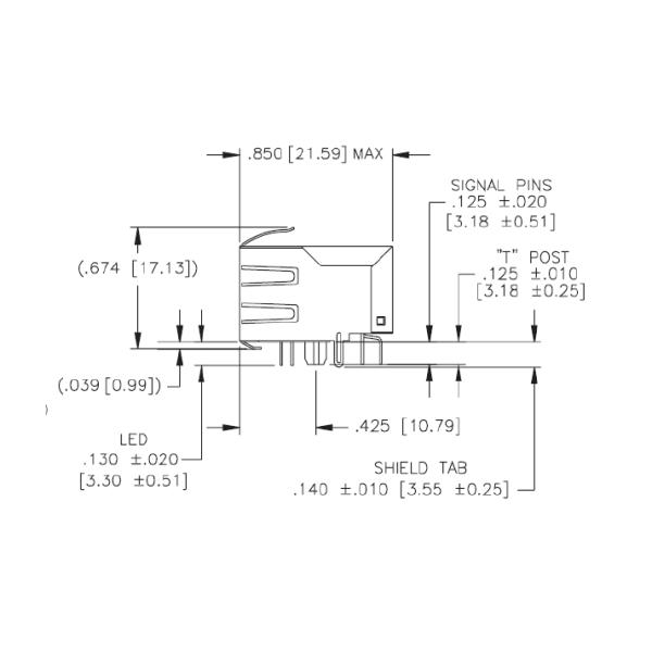
100 Magnetics штыря платы-Вниз 8 основания-TX RJ45 1X1 интегрированный
Соединитель, конструировал для промышленных расклассифицированных применений и
соответствующий для установки припоя reflow.

| Номер детали | Сопрягая сила (МАКС) | Сила Unmating (МАКС) | Стойкость | Штепсельная вилка Джек Удерживание (МИНУТА) |
| JXR0 - Серия | 5 Ibs. /2,268 килограмма. | 5 Ibs. /2,268 килограмма. | 750 вводов | 20 Ibs. /9,072 килограмма. |
Соединитель 8P8C RJ45 модульный Джек JXR0-0001NL/JXR0-0011NL Cat5 RJ45
Форма и размеры:
