Трансформатор множественн-выхода D1766-AL_ для интегрированного переключая регулятора
Описание:
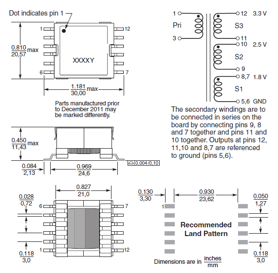
Трансформатор множественн-выхода D1766-AL был развит для пользы с силой над локальными сетями
Интерфейс PD IEEE 802.3af с интегрированным переключая регулятором. Идеально для пользы внутри
радиосвязи изолировали конвертеры и изолированные электропитания.
Этот трансформатор низкопрофильного конструирован для ввода напряжения 36 до 72 вольт. Он отличает
interleaved первичные и вторичные замотки для того чтобы уменьшить индуктивность рассеяния и
Изоляция 1500 Vrms между замотками.
| Часть номер | L на 0 a ±10% (μH) | L на Ipk минута (μH) | DCR максимальный (омы) | Утечка l максимальный (μH) | Коэффициент поворотов | Ipk (A) | Выход | ||||
| pri: sec | pri: смещение | ||||||||||
| D1766-AL_ | 221 | 200 | 0,420 (штыри 1 до 3) 0,013 (штыри 8 до 5) 0,013 (штыри 7 до 6) 0,015 (штыри 10 до 9) 0,030 (штыри 12 до 11) | 5,1 | 9,6: 1 | 24: 1 | 1,5 | 3,3 V, 0,5 A (S3) 2,5 V, 1,5 A (S2) 1,8 V, 2,5 A (S1) | |||
Трансформатор множественн-выхода D1766-AL_ для интегрированного переключая регулятора
Форма и размеры:
