Трансформатор обратной связи FA2469-AL_ для домашнего ворот и ВОЛИ доступа
Описание:
• Превращенный для STMicro STLC3075 & STLC3085
Интегрированные интерфейсы БАКОВ для домашнего ворот и ВОЛИ доступа.
• Обеспечивает отрицательное напряжение тока (– 46 v типичных) для того чтобы привестись в действие
микросхема
Феррит вещества активной зоны
Изоляция Interwinding 1500 Vdc
Олов-серебр RoHS прекращений над оловом над никелем над бронзой phos.
Другие прекращения доступные на дополнительной стоимости.
Вес 1,9 до 2,1 g
Температура окружающей среды – 40°C к +85°C
Компонент температуры хранения: – 40°C к +85°C.
Упаковка ленты и вьюрка: – 40°C к +80°C
Сопротивление к паяя reflows жары максимальным 3 40 вторым на
+260°C, части охлаженные к комнатной температуре между циклами
Уровень чувствительности влаги (MSL) 1 (неограниченная жизнь пола на <30°C/
относительная влажность 85%)
| Часть номер | L на 0 a ±10% (μH) | L на Ipk минута (μH) | DCR максимальный (омы) | Утечка l максимальный (μH) | Коэффициент поворотов | Ipk (A) | Входной сигнал напряжение тока (v) | |||
| pri | sec | pri: sec | ||||||||
| FA2469-AL_ | 19 | 14,86 | 0,036 | 16,5 | 0,414 | 1: 16 | 1,5 | 4,5 до 8,5 | ||
| FA2470-AL_ | 19 | 14,86 | 0,036 | 7,92 | 0,400 | 1: 8 | 1,5 | 8,5 до 12,0 | ||
Трансформатор обратной связи FA2469-AL_ для домашнего ворот и ВОЛИ доступа
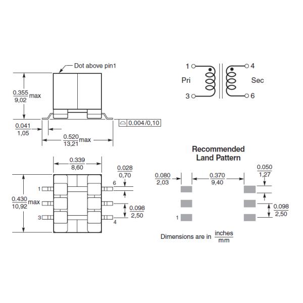
Форма и размеры:

Изображение продукта:
