18 до 57 v FA2677-AL_ & FA2898-AL_ для применения PoE 25 ватт
Описание:
• Конструированный для применения PoE 25 ватт
• Ряд входного сигнала от 18 до 57 v
• Первичный к вторичной изоляции: Vrms 1500
• Вспомогательный обматывая выход: 11 v, 20 мам
Феррит вещества активной зоны
Олов-серебр RoHS прекращений уступчивый над оловом над никелем над phos
бронза. Другие прекращения доступные на дополнительной стоимости.
Вес 13,6 до g 13,9
Температура окружающей среды – 40°C к +125°C
Компонент температуры хранения: – 40°C к +125°C.
Упаковка ленты и вьюрка: – 40°C к +80°C
| Часть номер | L на 0 a ±10% (μH) | L на Ipk минимальный (μH) | DCR максимальный (омы) | Утечка L (μH) | Коэффициент поворотов | Ipk (A) | Выход | |||
| pri | sec | вспомогательный | pri: sec | pri: смещение | ||||||
| FA2677-AL_ | 50 | 40,8 | 26 | 2,6 | 328 | 2,20 | 1: 0,12 | 1: 0,41 | 2,9 | 3,3 V, 7,5 A |
| FA2898-AL_ | 50 | 40,8 | 26 | 4,0 | 315 | 1,05 | 1: 0,18 | 1: 0,41 | 2,9 | 5 V, 5 A |
| FA2899-AL_ | 50 | 40,8 | 26 | 13 | 315 | 0,473 | 1: 0,35 | 1: 0,41 | 2,9 | 9 V, 2,8 A |
| FA2900-AL_ | 50 | 40,8 | 26 | 20 | 315 | 0,409 | 1: 0,47 | 1: 0,41 | 2,9 | 12 V, 2,1 A |
| FA2901-AL_ | 50 | 40,8 | 26 | 37 | 305 | 0,381 | 1: 0,59 | 1: 0,41 | 2,9 | 15 V, 1,7 A |
18 до 57 v FA2677-AL_ & FA2898-AL_ для применения PoE 25 ватт
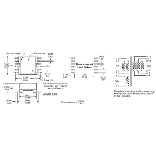
Форма и размеры:

Изображение продукта:
