Трансформатор C1587-AL_ ядра феррита для применений PoE 7 ватт
Описание:
• Трансформаторы обратной связи для 7 применений w PoE
• Конструировал работать в непрерывном режиме на 250 КГц с входным сигналом 36 до 72 Vdc
• Изоляция 1500 Vrms от первичного и косого к вторичному
Феррит вещества активной зоны
Олов-серебр RoHS прекращений над оловом над никелем над бронзой phos.
Другие прекращения доступные на дополнительной стоимости.
Вес 3,85 g
Температура окружающей среды – 40°C к +85°C
Компонент температуры хранения: – 40°C к +85°C.
Упаковка ленты и вьюрка: – 40°C к +80°C
Сопротивление к паяя reflows жары максимальным 3 40 вторым на
+260°C, части охлаженные к комнатной температуре между циклами
Уровень чувствительности влаги (MSL) 1 (неограниченная жизнь пола на <30°C/
относительная влажность 85%)
| Часть номер | Индуктивность L на 0 a ±10% (μH) | Индуктивность L на Ipk минимальный (μH) | DCR максимальный (омы) | Утечка l максимальный (μH) | Коэффициент поворотов | Ipk (A) | Выход | |||
| pri | смещение | sec | pri: sec | pri: смещение | ||||||
| C1587-AL_ | 155 | 139,5 | 0,414 | 0,822 | 0,036 | 4,00 | 1: 0,19 | 1: 0,667 | 0,65 | 3,3 V, 2,12 A |
| C1588-AL_ | 155 | 139,5 | 0,414 | 0,822 | 0,060 | 3,60 | 1: 0,262 | 1: 0,667 | 0,65 | 5,0 V, 1,4 A |
| C1589-AL_ | 155 | 139,5 | 0,414 | 0,822 | 0,343 | 3,25 | 1: 0,667 | 1: 0,667 | 0,65 | 12 V, 0,6 A |
Трансформатор C1587-AL_ ядра феррита для применений PoE 7 ватт
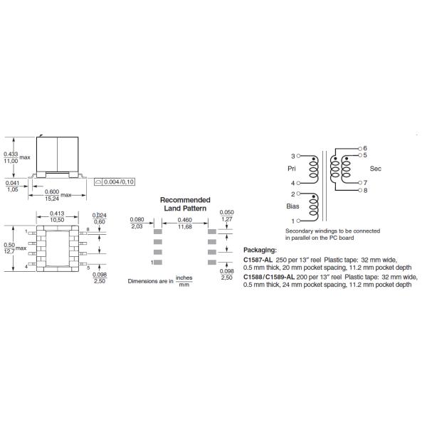
Форма и размеры:

Изображение продукта:
