Большой ток, низкий DCR защищал индукторы SER1052-801ML_ силы
Описание:
• Большой ток, низкий DCR защищал индукторы силы
• × 10,2 основание 11 mm; только 5,2 mm высокорослый
Вещество активной зоны: Феррит
Олов-серебр RoHS прекращений уступчивый над оловом над никелем над phos-бронзой (штырями 1 и 2); штейновое олово над никелем над phos-бронзой (штырем 3).
Другие прекращения доступны на дополнительной стоимости.
Вес 1,6 g
Температура окружающей среды – 40°C к +85°C с (подъем 40°C) Irms настоящим.
Максимальная температура +125°C части (окружающая + подъем temp). Derating.
Компонент температуры хранения: – 40°C к +125°C.
Упаковка ленты и вьюрка: – 40°C к +80°C
Сопротивление к паяя reflows жары максимальным 3 40 вторым на
+260°C, части охлаженные к комнатной температуре между циклами
Уровень чувствительности влаги (MSL) 1 (неограниченная жизнь пола на <30>
относительной влажности 85%)
| Номер детали |
Индуктивность ±20% (μH) |
DCR максимальный (mOhm) |
Тип SRF (MHz) |
Isat (a) | Irms (a) | |||
| падение 10% | падение 20% | падение 30% | подъем 20°C | подъем 40°C | ||||
| SER1052-801ML_ | 0,80 | 4,0 | 100 | 24,9 | 25,2 | 25,6 | 12,5 | 16,3 |
| SER1052-102ML_ | 1,0 | 4,0 | 95 | 16,5 | 17,0 | 17,5 | 12,5 | 16,3 |
| SER1052-122ML_ | 1,2 | 6,0 | 91 | 20,5 | 21,0 | 21,3 | 11,0 | 15,0 |
| SER1052-132ML_ | 1,3 | 4,0 | 81 | 12,9 | 16,8 | 17,2 | 12,5 | 16,3 |
| SER1052-152ML_ | 1,5 | 4,0 | 75 | 13,5 | 14,0 | 14,5 | 11,0 | 15,0 |
| SER1052-182ML_ | 1,8 | 6,0 | 70 | 13,3 | 13,8 | 14,3 | 11,0 | 15,0 |
| SER1052-202ML_ | 2,0 | 9,0 | 65 | 15,3 | 15,8 | 16,2 | 8,5 | 11,5 |
| SER1052-222ML_ | 2,2 | 4,0 | 58 | 8,9 | 9,6 | 10,0 | 12,5 | 16,3 |
| SER1052-252ML_ | 2,5 | 7,5 | 55 | 11,4 | 11,8 | 12,1 | 9,0 | 12,0 |
| SER1052-322ML | 3,3 | 6,0 | 53 | 7,3 | 7,8 | 8,5 | 11,0 | 15,0 |
| SER1052-402ML_ | 4,0 | 9,0 | 47 | 8,3 | 8,5 | 8,8 | 8,5 | 11,5 |
| SER1052-432ML_ | 4,3 | 7,5 | 44 | 6,4 | 6,8 | 7,0 | 9,0 | 12,0 |
| SER1052-572ML_ | 5,7 | 9,0 | 35 | 5,4 | 5,8 | 6,0 | 8,5 | 11,5 |
Большой ток, низкий DCR защищал индукторы SER1052-801ML_ силы
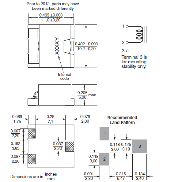
Форма и размеры:

КАК ПРИКАЗАТЬ
1. Пожалуйста отправьте мной схему данных или номер детали вам.
2. Мы предложим цитату замены для вашей ссылки
3. Свободные образцы доступны для вашего утверждения.
4. После того как образец испытывая, мы шагнет в массовый заказ.
5. Proforma фактура отправит для вашего подтверждения
6. После того как товары закончены, мы отправляем товары в вас и говорим вам отслеживая номер.
7. Мы будем отслеживать ваши товары до тех пор пока вы не получите товары.
Примечания:
1. заказы образца доступны.
2. цена могуща быть предметом переговоров для заказов большого количества.
3. подгонянные заказы (заказы OEM/ODM) доступны.
4. свяжитесь мы для доступного списка вкусов. Международные аттестации:
1. ISO9001: 2008
2. UL
3. достигаемость
4. RoHs
Наше обслуживание:
1. 100% испытанное перед грузить
2. Имейте альтернативы для венчика, ИМПа ульс, XFMRS, Мы-онлайн, Chilisin, Coilcraft ...... такое же качество но лучшая цена.
3. свободный образец доступный
4. обеспечьте новый дизайн для клиента