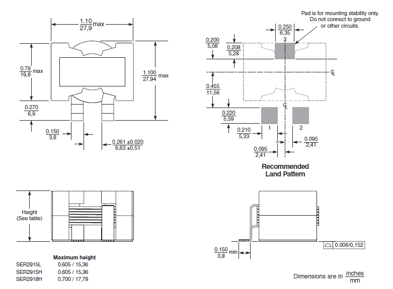
Индуктор силы SER2915L-152KL для большего прилипания стабильности и доски
Описание:
• Такие же электротехнические условия как SER2800 Coilcraft
• Весьма - низкий DCR; Настоящая регуляция к >100 Amps
• Третья пусковая площадка установки для большего прилипания стабильности и доски
Феррит вещества активной зоны
Руководства прекращений: Олов-серебр RoHS уступчивый над медью
Низкопробная пусковая площадка: Золото RoHS уступчивое над никелем над бронзой phos
Другие прекращения доступные на дополнительной стоимости.
Вес SER2915L – 28,5 g; SER2915H – 29,7 g; SER2918H – 35,7 g
Температура окружающей среды – 40°C к +85°C с (подъем 40°C) Irms настоящим.
Максимальная температура +125°C части (окружающая + подъем temp). Derating.
Компонент температуры хранения: – 40°C к +125°C.
Упаковка ленты и вьюрка: – 40°C к +80°C
Сопротивление к паяя reflows жары максимальным 3 40 вторым на
+260°C, части охлаженные к комнатной температуре между циклами
Уровень чувствительности влаги (MSL) 1 (неограниченная жизнь пола на <30°C/
относительная влажность 85%)
| Номер детали | Индуктивность ±10% (μH) | DCR (mOhms) | Тип SRF (MHz) | Isat (a) | Irms (a) | ||||
| nom | максимальный | падение 10% | падение 20% | падение 30% | подъем 20°C | подъем 40°C | |||
| SER2915L-152KL | 1,5 | 1,50 | 1,65 | 60 | 100 | >100 | >100 | 20 | 30 |
| SER2915H-222KL | 2,2 | 1,86 | 2,05 | 40 | 100 | >100 | >100 | 20 | 30 |
| SER2915L-222KL | 2,2 | 1,50 | 1,65 | 50 | 82,0 | 84,0 | 84,8 | 20 | 30 |
| SER2918H-332KL | 3,3 | 2,60 | 2,86 | 40 | 91,0 | 92,5 | 93,6 | 20 | 28 |
| SER2915H-332KL | 3,3 | 1,86 | 2,05 | 30 | 62,0 | 66,9 | 68,4 | 20 | 30 |
| SER2915L-332KL | 3,3 | 1,50 | 1,65 | 40 | 48,0 | 54,0 | 57,0 | 20 | 30 |
| SER2918H-472KL | 4,7 | 2,60 | 2,86 | 30 | 59,0 | 61,2 | 62,4 | 20 | 28 |
| SER2915H-472KL | 4,7 | 1,86 | 2,05 | 25 | 42,0 | 48,0 | 50,1 | 20 | 30 |
| SER2915L-472KL | 4,7 | 1,50 | 1,65 | 30 | 33,0 | 36,9 | 39,0 | 20 | 30 |
| SER2918H-682KL | 6,8 | 2,60 | 2,86 | 25 | 42,0 | 45,0 | 45,9 | 20 | 28 |
| SER2915H-682KL | 6,8 | 1,86 | 2,05 | 20 | 30,0 | 34,5 | 36,2 | 20 | 30 |
| SER2915L-682KL | 6,8 | 1,50 | 1,65 | 25 | 22,0 | 26,0 | 27,8 | 20 | 30 |
| SER2918H-103KL | 10 | 2,60 | 2,86 | 20 | 28,0 | 31,2 | 32,1 | 20 | 28 |
| SER2915H-103KL | 10 | 1,86 | 2,05 | 15 | 18,0 | 21,5 | 23,4 | 20 | 30 |
| SER2915L-103KL | 10 | 1,50 | 1,65 | 20 | 13,0 | 16,2 | 17,6 | 20 | 30 |
| SER2918H-153KL | 15 | 2,60 | 2,86 | 16 | 18,0 | 21,2 | 21,9 | 20 | 28 |
| SER2915H-153KL | 15 | 1,86 | 2,05 | 12 | 11,5 | 14,0 | 15,2 | 20 | 30 |
| SER2915L-153KL | 15 | 1,50 | 1,65 | 15 | 7,5 | 9,8 | 11,0 | 20 | 30 |
| SER2918H-223KL | 22 | 2,60 | 2,86 | 15 | 12,0 | 14,0 | 15,0 | 20 | 28 |
| SER2915H-223KL | 22 | 1,86 | 2,05 | 10 | 7,0 | 8,6 | 9,6 | 20 | 30 |
| SER2915L-223KL | 22 | 1,50 | 1,65 | 10 | 4,5 | 6,0 | 6,8 | 20 | 30 |
| SER2918H-333KL | 33 | 2,60 | 2,86 | 10 | 7,0 | 8,7 | 9,6 | 20 | 28 |
| SER2915H-333KL | 33 | 1,86 | 2,05 | 8 | 4,0 | 5,1 | 5,9 | 20 | 30 |
| SER2915L-333KL | 33 | 1,50 | 1,65 | 7 | 2,0 | 2,6 | 3,3 | 20 | 30 |
Индуктор силы SER2915L-152KL для большего прилипания стабильности и доски
Форма и размеры:
