MOX-RJ45-USB1A RJ45 модульный Джек с двойным USB комбинированным с СИД
Описание:
Особенности:
| Изоляция | 1500Vrms (сторона UTP для того чтобы отколоть сторону) |
| OCL | минимум 350uH @ 100 КГц 100mV с 8mADC. |
| Вносимая потеря | максимум @ 300KHz -1.0dB | 100MHz |
| Потеря возвращения | минимум @ 1MHz -20dB | 10MHz |
| минимум @ 10MHz -16dB | 30MHz | |
| минимум @ 30MHz -12dB | 60MHz | |
| минимум @ 60MHz -10dB | 80MHz | |
| Сброс единого режима | минимум @ 1MHz -30dB | 50MHz |
| минимум @ 50MHz -20dB | 150MHz | |
| Помеха | минимум @ 1MHz -40dB | 30MHz |
| минимум @ 30MHz -35dB | 60MHz | |
| минимум @ 60MHz -30dB | 100MHz |
MOX-RJ45-USB1A RJ45 модульный Джек с двойным USB комбинированным с СИД
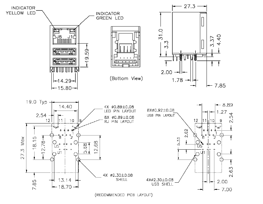
Размеры:
