Трансформатор сигнала катушки трансформатора частоты PA3948.003NL EP10 небольшой
Особенность:
Трансформатор сигнала катушки трансформатора частоты PA3948.003NL EP10 небольшой
| Электротехнические условия @ 25°C - рабочая температура -40°C к +130°C | |||
| PA3948.003NL | Pri. Индуктивность | (4-1) с 3, замкнутое накоротко 2 | 40 μH ±10% |
| (4-1) с 3, замкнутое накоротко 2 | минута 32 μH на 1.88A | ||
| Lk. Индуктивность | (4-1) с (5, 6, 7, 8) замкнутый накоротко | μH 1,45 МАКСИМАЛЬНОЕ | |
| DCR | (4-1) | mΩ 405 МАКСИМАЛЬНОЕ | |
| (8-6) | mΩ 470 МАКСИМАЛЬНОЕ | ||
| (7-5) | mΩ 470 МАКСИМАЛЬНОЕ | ||
| Hi-бак | Pri-Sec | 1500Vrms | |
| Фактор K1 | 983,3 | ||
| PA3948.004NL | Pri. Индуктивность | (4-1) с 3, замкнутое накоротко 2 | ± 10% 40 μH |
| (4-1) с 3, замкнутое накоротко 2 | минута 32 μH на 1.88A | ||
| Lk. Индуктивность | (4-1) с (5, 6, 7, 8) замкнутый накоротко | μH 1,45 МАКСИМАЛЬНОЕ | |
| DCR | (4-1) | mΩ 220 МАКСИМАЛЬНОЕ | |
| (8-6) | mΩ 58 МАКСИМАЛЬНОЕ | ||
| (7-5) | mΩ 58 МАКСИМАЛЬНОЕ | ||
| Hi-бак | Pri-Sec | 1500Vrms | |
| Фактор K1 | 983,3 | ||
| PA3948.005NL | Pri. Индуктивность | (4-1) с 3, замкнутое накоротко 2 | 40 μH ±10% |
| (4-1) с 3, замкнутое накоротко 2 | минута 32 μH на 1.88A | ||
| Lk. Индуктивность | (4-1) с (5, 6, 7, 8) замкнутый накоротко | μH 1,6 МАКСИМАЛЬНОЕ | |
| DCR | (4-1) | mΩ 220 МАКСИМАЛЬНОЕ | |
| (7-6) | mΩ 1275 МАКСИМАЛЬНОЕ | ||
| Hi-бак | Pri-Sec | 1500Vrms | |
| Фактор K1 | 983,3 | ||
| PA3948.006NL | Pri. Индуктивность | (4-1) с 3, замкнутое накоротко 2 | 40 μH ±10% |
| (4-1) с 3, замкнутое накоротко 2 | минута 32 μH на 1.88A | ||
| Lk. Индуктивность | (4-1) с (5, 6, 7, 8) замкнутый накоротко | μH 1,6 МАКСИМАЛЬНОЕ | |
| DCR | (4-1) | mΩ 220 МАКСИМАЛЬНОЕ | |
| (7-6) | mΩ 3350 МАКСИМАЛЬНОЕ | ||
| Hi-бак | Pri-Sec | Vrms 1500 | |
| Фактор K1 | 983,3 | ||
Трансформатор сигнала катушки трансформатора частоты PA3948.003NL EP10 небольшой
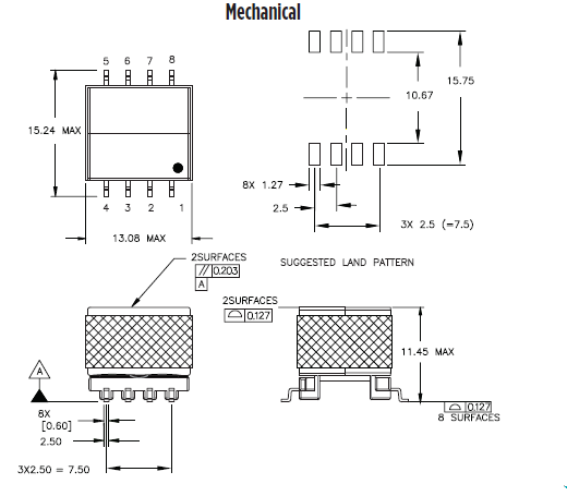
Форма и размеры:

Изображение продукта:

Трансформатор сигнала катушки трансформатора частоты PA3948.003NL EP10 небольшой
КАК ПРИКАЗАТЬ
1. Пожалуйста отправьте мной ваши схему данных или номер детали вам.
2. Мы предложим цитату замены для вашей ссылки
3. Свободные образцы доступны для вашего утверждения.
4. После того как образец испытывая, мы шагнет в массовый заказ.
5. Proforma фактура отправит для вашего подтверждения
6. После того как товары закончили, мы отправляем товары в вас и говорим вам отслеживая номер.
7. Мы будем отслеживать ваши товары до тех пор пока вы не получите товары.
Примечания:
1. заказы образца доступны.
2. цена могуща быть предметом переговоров для заказов большого количества.
3. подгонянные заказы (заказы OEM/ODM) доступны.
4. свяжитесь мы для доступного списка вкусов. Международные аттестации:
1. ISO9001: 2008
2. UL
3. достигаемость
4. RoHs
Наше обслуживание:
1. 100% испытанное перед грузить
2. Имейте альтернативу для венчика, Pluse, Мы-онлайн, Chilisin, Coilcraft ...... такое же качество но лучшая цена
3. свободный образец доступный
4. обеспечьте новый дизайн для клиента