Трансформатор режима переключателя Q4470-CL миниатюрный SMT для привода ворот
Характер продукции:
Миниатюрные трансформаторы SMT
Особенность:
Эти миниатюрные трансформаторы были развиты для пользы с интерфейсом ICs сентенции RS-232/RS-485,
и соответствующий для привода ворот и других применений силы. Они были конструированы для работы с
MAX250, MAX251, MAX253 и MAX845 для снабжать силу изолированная сторона интерфейса.
Sipex и другие для пользы с их наборами микросхем. Они отличают изоляцией 1500 Vrms между замотками в a
миниатюрный поверхностный пакет держателя. Каждый трансформатор имеет крышку нержавеющей стали которая обеспечивает
превосходная поверхность для автоматизированного размещения.
| Часть номер | Pri/sec напряжение тока | Индуктивность минимальный (μH) | Вольт-время продукт тип (Vμsec) | DCR максимальный (омы) | Изоляция pri-sec (Vrms) | Pri/sec емкость тип (pF) | Pri: sec Повороты коэффициент | Сила (W) | |
| pri | sec | ||||||||
| Q4470-CL | 5 v до 5 v | 400 (1-3) | 32 (1-3) | 0,950 (1-3) | 1,25 (6-4) | 1500 (1-4) | 0,87 | 1 CT: 1,3 CT | 0,25 |
| S5394-CL | 5 v до 10 v | 400 (1-3) | 32 (1-3) | 0,950 (1-3) | 0,950 (6-4) | 1500 (1-4) | 0,92 | 1 CT: 1 | 0,25 |
| U6982-CL | 3,3 v до 5 v | 59 (1-3) | 22 (1-3) | 0,700 (1-3) | 1,800 (6-4) | 1500 (1-4) | 0,93 | 1 CT: 2,1 CT | 0,75 |
| T6437-DL | 5 v к 5V | 1000 (1-4) | 134 (1-4) | 1,010 (1-2, 3-4) | 1,955 (8-5) | 1500 (1,3-8) | 1,88 | 1 CT: 1 | 1,5 |
| S5499-DL | 5 v до 24 v | 160 (1-4) | 48 (1-4) | 0,540 (1-2, 3-4) | 4,28 (8-7, 6-5) | 1500 (1,3-8,6) | 1,59 | 1 CT: 5 CT | 1,0 |
| T6650-DL | 5 v до 24 v | 176 (2-3) | 48 (2-3) | 1,015 (2-3) | 8,250 (7-6) | 1500 (2-7) | 1,25 | 1: 5 | 1,0 |
1.Inductance измерило на 100 КГц, 0,1 Vrms, 0 Adc
2. индуктивность рассеяния измерила на 100 КГц, 0,1 Vrms с вторичными штырями замкнула накоротко.
3. SRF измерило с катушками соединятьыми последовательно используя Agilent/HP 4192 или эквивалент.
4. температурная амплитуда рабочей температуры −40°C к +125°C.
5. электротехнические условия на 25°C.
Трансформатор режима переключателя Q4470-CL миниатюрный SMT для привода ворот
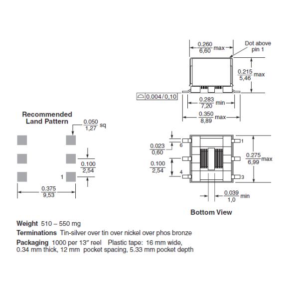
Форма и размеры:

Трансформатор режима переключателя Q4470-CL миниатюрный SMT для привода ворот
КАК ПРИКАЗАТЬ
1. Пожалуйста отправьте мной ваши схему данных или номер детали вам.
2. Мы предложим цитату замены для вашей ссылки
3. Свободные образцы доступны для вашего утверждения.
4. После того как образец испытывая, мы шагнет в массовый заказ.
5. Proforma фактура отправит для вашего подтверждения
6. После того как товары закончили, мы отправляем товары в вас и говорим вам отслеживая номер.
7. Мы будем отслеживать ваши товары до тех пор пока вы не получите товары.
Примечания:
1. заказы образца доступны.
2. цена могуща быть предметом переговоров для заказов большого количества.
3. подгонянные заказы (заказы OEM/ODM) доступны.
4. свяжитесь мы для доступного списка вкусов. Международные аттестации:
1. ISO9001: 2008
2. UL
3. достигаемость
4. RoHs
Наше обслуживание:
1. 100% испытанное перед грузить
2. Имейте альтернативу для венчика, Pluse, Мы-онлайн, Chilisin, Coilcraft ...... такое же качество но лучшая цена
3. свободный образец доступный
4. обеспечьте новый дизайн для клиента