Трансформатор сигнала PA3855.001NL EP13 небольшой для аудио приборов
Особенность:
| Электротехнические условия @ 25°C - рабочая температура -40°C к +130°C | |||
| Название продукта | Pri. Индуктивность | (1-3) | 54uH +/- 10% |
| PA3855.001NL | Lk. Индуктивность | (1-3) с (10,9,6,7,4,5) замкнутый накоротко | 0.67uH Макс |
| DCR | (1-3) | mΩ 62 максимальное | |
| (9-6) | mΩ 6,5 максимальное | ||
| (10-7) | mΩ 6,5 максимальное | ||
| (4-5) | mΩ 120 максимальное | ||
| Hi-бак | Pri-Sec | 2250 Vdc | |
| Фактор K1 | 1125,0 | ||
| PA3855.002NL | Pri. Индуктивность | (1-3) | 48uH +/- 10% |
| Lk. Индуктивность | (1-3) с (10,9,6,7,4,5) замкнутый накоротко | 0.67uH Макс | |
| DCR | (1-3) | mΩ 62 МАКСИМАЛЬНОЕ | |
| (9-6) | mΩ 10 МАКСИМАЛЬНОЕ | ||
| (10-7) | mΩ 10 МАКСИМАЛЬНОЕ | ||
| (4-5) | mΩ 120 МАКСИМАЛЬНОЕ | ||
| Hi-бак | Pri-Sec | 2250 Vdc | |
| Фактор K1 | 1000,0 | ||
| PA2454NL | Pri. Индуктивность | (3-4) | 41uH +/- 10% |
| Lk. Индуктивность | (1-3) с (10,9,6,7,4,5) замкнутый накоротко | 0.67uH Макс | |
| DCR | (1-3) | mΩ 62 МАКСИМАЛЬНОЕ | |
| (9-6) | mΩ 20 МАКСИМАЛЬНОЕ | ||
| (10-7) | mΩ 23 МАКСИМАЛЬНОЕ | ||
| (4-5) | mΩ 120 МАКСИМАЛЬНОЕ | ||
| Hi-бак | Pri-Sec | 2250 Vdc | |
| Фактор K1 | 2250 Vdc | ||
| PA2455NL | Pri. Индуктивность | (1-3) | 21uH +/- 10% |
| Lk. Индуктивность | (1-3) с (10,9,6,7,4,5) замкнутый накоротко | 0.3uH Макс | |
| DCR | (1-3) | mΩ 31 МАКСИМАЛЬНОЕ | |
| (9-6) | mΩ 10 МАКСИМАЛЬНОЕ | ||
| (10-7) | mΩ 10 МАКСИМАЛЬНОЕ | ||
| (4-5) | mΩ 180 МАКСИМАЛЬНОЕ | ||
| Hi-бак | Pri-Sec | 2250 Vdc | |
| Фактор K1 | 538,5 | ||
Трансформатор сигнала PA3855.001NL EP13 небольшой для аудио приборов
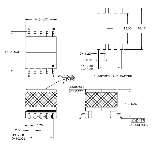
Форма и размеры:

Изображение продукта:

Трансформатор сигнала PA3855.001NL EP13 небольшой для аудио приборов
КАК ПРИКАЗАТЬ
1. Пожалуйста отправьте мной ваши схему данных или номер детали вам.
2. Мы предложим цитату замены для вашей ссылки
3. Свободные образцы доступны для вашего утверждения.
4. После того как образец испытывая, мы шагнет в массовый заказ.
5. Proforma фактура отправит для вашего подтверждения
6. После того как товары закончили, мы отправляем товары в вас и говорим вам отслеживая номер.
7. Мы будем отслеживать ваши товары до тех пор пока вы не получите товары.
Примечания:
1. заказы образца доступны.
2. цена могуща быть предметом переговоров для заказов большого количества.
3. подгонянные заказы (заказы OEM/ODM) доступны.
4. свяжитесь мы для доступного списка вкусов. Международные аттестации:
1. ISO9001: 2008
2. UL
3. достигаемость
4. RoHs
Наше обслуживание:
1. 100% испытанное перед грузить
2. Имейте альтернативу для венчика, Pluse, Мы-онлайн, Chilisin, Coilcraft ...... такое же качество но лучшая цена
3. свободный образец доступный
4. обеспечьте новый дизайн для клиента